- Partiron
- OEM Parts
- Yamaha
- motorcycle
- 1990
- RT180A (RT180) 1990
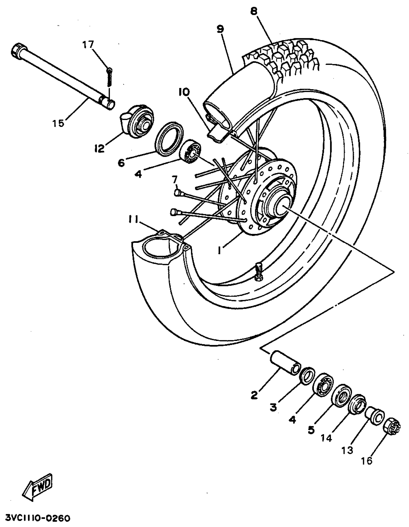
FRONT WHEEL
Yamaha RT180A (RT180) 1990 FRONT WHEEL Diagram
#
Description
Price
1
HUB;FRONT
2TW-F5111-00-NW
Unavailable
2
SPACER, BEARING
3V9-F5117-00-00
Unavailable
3
FLANGE, SPACER
504-29531-00-00
Unavailable
5
OIL SEAL (1Y8)
93106-22016-00
Unavailable
7
SPOKE SET;FRT.WHL.
3VC-F5104-01-00
Unavailable
8
TIRE (80/100-21-4PR)
94108-215H9-00
Unavailable
9
TUBE 90190-21
94209-21229-00
Unavailable
11
RIM(1.85-21)
94418-21853-00
Unavailable
12
HOUSING, GEAR
3VC-F5191-00-00
Unavailable
13
COLLAR
90387-15805-00
Unavailable
15
AXLE,WHEEL
2TW-F5181-00-00
Unavailable
16
NUT, CASTLE(2UJ)
90171-14056-00
Unavailable
17
PIN, COTTER
91490-30030-00
Unavailable
