- Partiron
- OEM Parts
- Yamaha
- motorcycle
- 1990
- RT180A (RT180) 1990
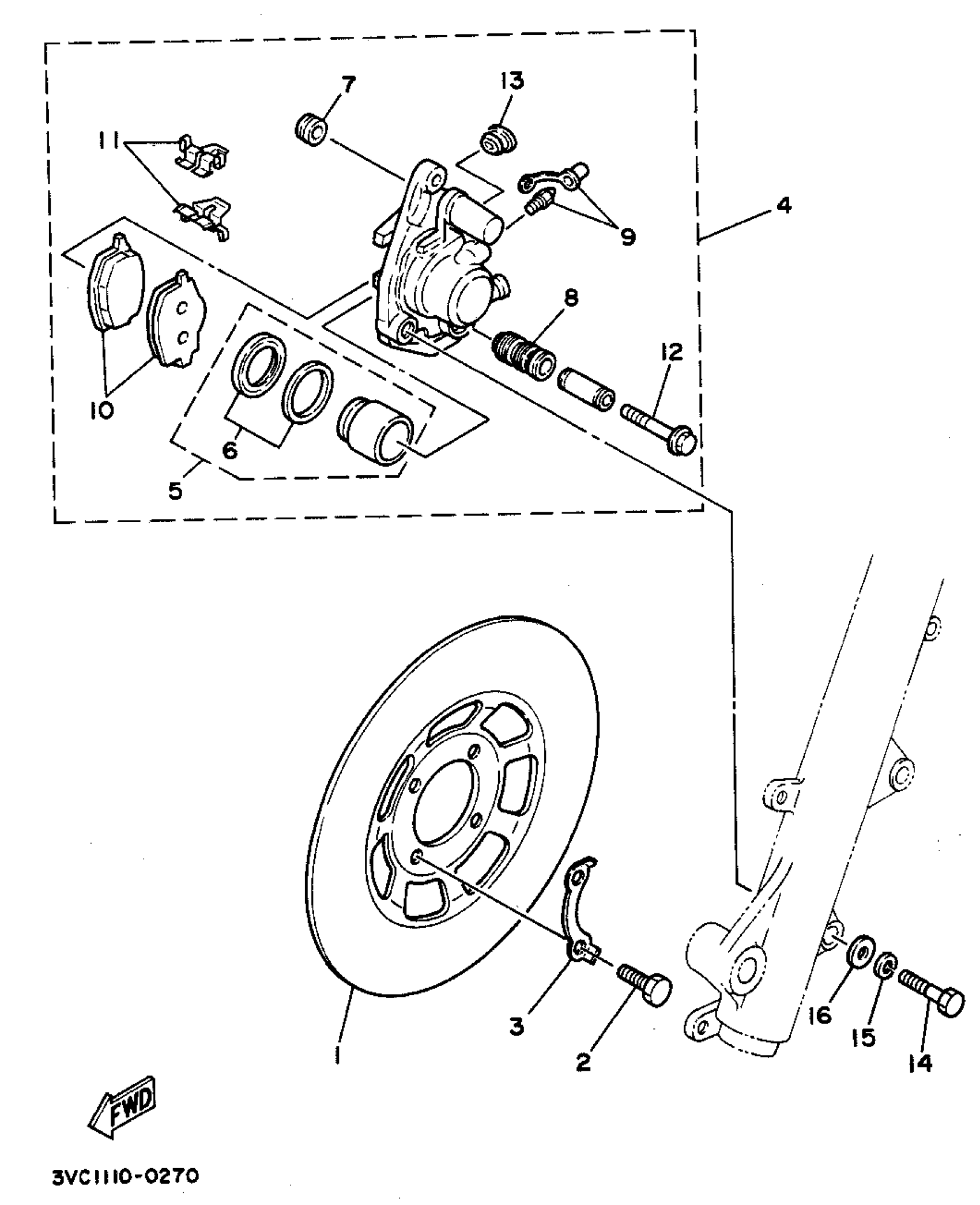
FRONT BRAKE CALIPER
Yamaha RT180A (RT180) 1990 FRONT BRAKE CALIPER Diagram
#
Description
Price
1
DISC,BRAKE
3M5-25831-00-00
Unavailable
2
BOLT (341-25411-00)
90109-08367-00
Unavailable
3
WASHER
404-25412-00-00
Unavailable
4
CALIPER ASS''S (LEFT)
55W-2580T-00-00
Unavailable
5
. PISTON ASSEMBLY, CALIPER
55W-W0057-00-00
Unavailable
6
CALIPER SEAL KIT
55W-W0047-00-00
Unavailable
10
BRAKE PAD KIT
55W-W0045-01-00
Unavailable
11
. SUPPORT, PAD
55W-25919-00-00
Unavailable
16
958-69527-00 WASHER, PLAIN
92990-10200-00
Unavailable
