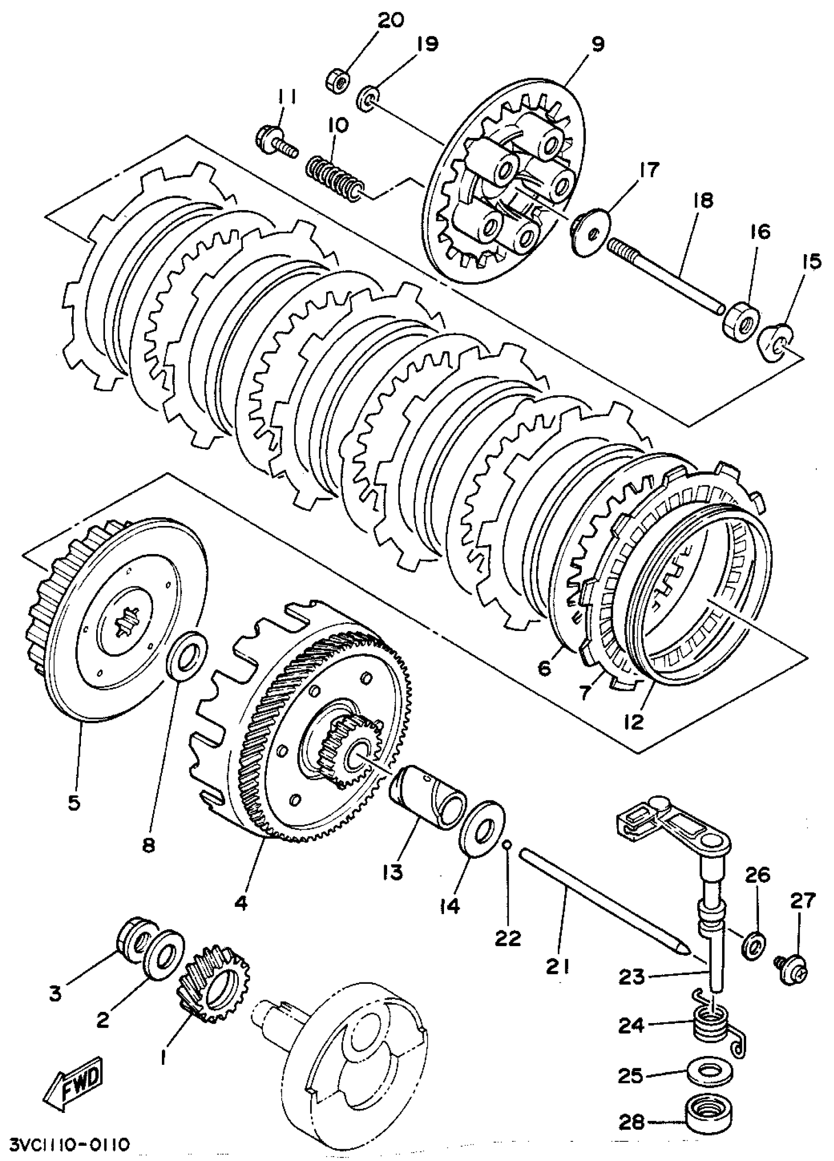
Yamaha RT180A (RT180) 1990 CLUTCH Diagram
#
Description
Price
1
GEAR, PRIMARY DRIVE
5L9-16111-00-00
Unavailable
2
WASHER, CONICAL SPRING 12,2 X
90208-12800-00
Unavailable
4
. PRIMARY DRIVEN GEAR COMP (71T)
1W1-16150-01-00
Unavailable
5
. BOSS, CLUTCH
1G8-16371-00-00
Unavailable
9
. PLATE, PRESSURE 1
1W1-16351-00-00
Unavailable
12
. RING, CUSHION
307-16367-00-00
Unavailable
13
SPACER (525)
90560-17147-00
Unavailable
16
NUT, HEXAGON
90170-14171-00
Unavailable
17
PLATE, PUSH
5L9-E6358-00-00
Unavailable
18
ROD, PUSH 1
5L9-E6356-00-00
Unavailable
19
YBS66-6 WASHER, PLAIN
92990-06200-00
Unavailable
20
NUT, HEXAGON
95380-06600-00
Unavailable
21
ROD, PUSH 2
502-E6357-00-00
Unavailable
22
BALL
93503-16003-00
Unavailable
23
PUSH LEVER ASSEMBLY
5L9-E6380-01-00
Unavailable
24
SPRING, TORSION (1W1)
90508-20345-00
Unavailable
25
WASHER PLATE 150251530000
90201-14217-00
Unavailable
26
GASKET(3AJ)
90430-08204-00
Unavailable
27
SCREW (1M1)
90149-08108-00
Unavailable
28
OIL SEAL (14X25X5-2H7)
93104-14059-00
Unavailable
