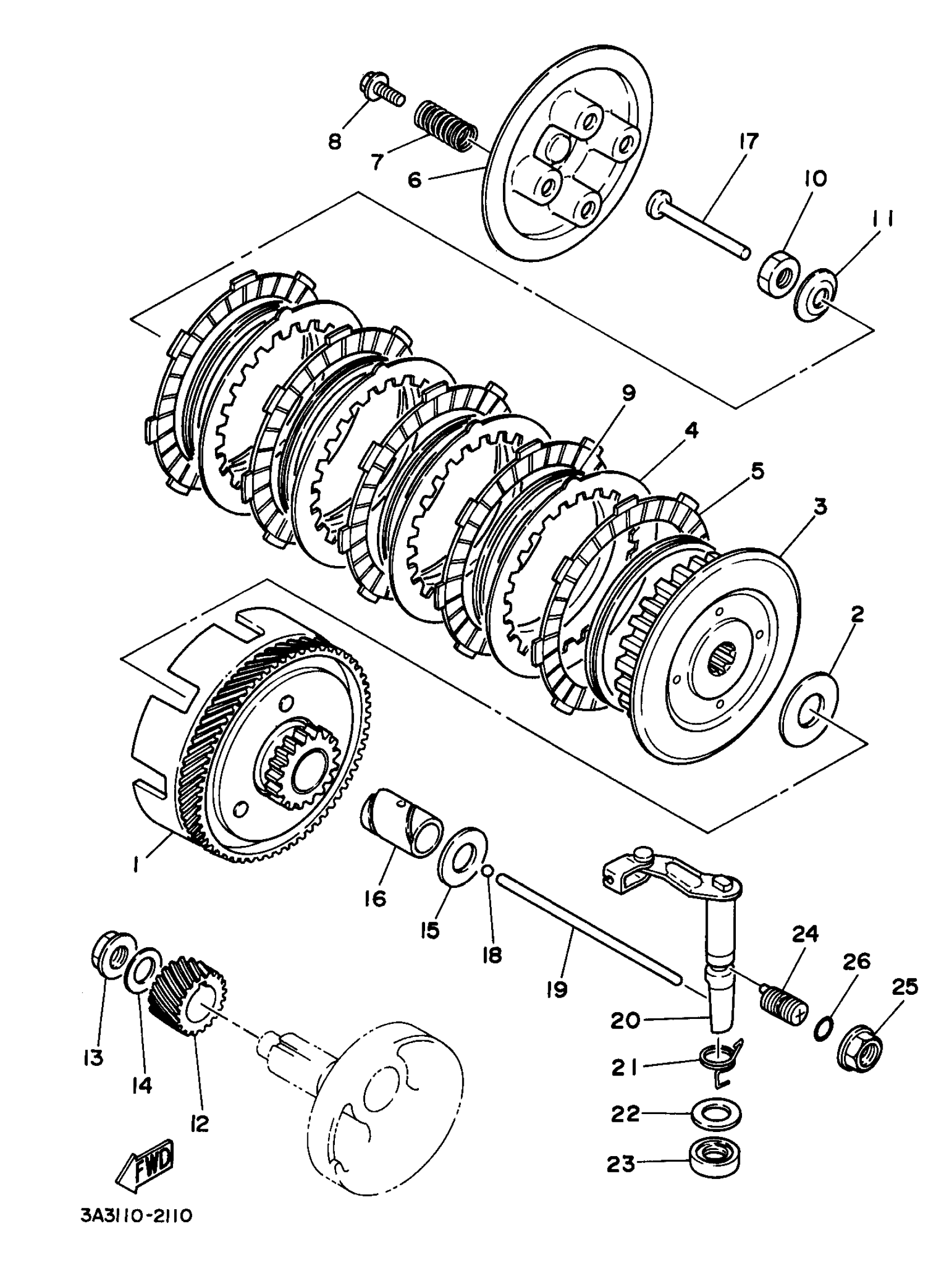
Yamaha RT100K (RT100) 1998 CLUTCH Diagram
#
Description
Price
1
. PRIMARY DRIVEN GEAR COMP (74T)
1V1-16150-10-00
Unavailable
2
PLATE, THRUST
131-16154-00-00
Unavailable
3
BOSS, CLUTCH
1V1-16371-02-00
Unavailable
6
PLATE, PRESSURE
598-16351-00-00
Unavailable
11
WASHER, CONICAL SPRING 12,2 X
90208-12800-00
Unavailable
12
GEAR, PRIMARY DRIVE (19T)
336-16111-00-00
Unavailable
14
WASHER, CONICAL SPRING 12,2 X
90208-12800-00
Unavailable
16
SPACER (525)
90560-17147-00
Unavailable
17
ROD,PUSH (1)
137-16356-00-00
Unavailable
18
BALL
93503-16003-00
Unavailable
19
ROD, PUSH 2
1X0-16357-00-00
Unavailable
20
PUSH LEVER ASSEMBLY
525-16380-00-00
Unavailable
21
SPRING, TORSION
90508-14132-00
Unavailable
22
WASHER PLATE 150251530000
90201-14217-00
Unavailable
23
OIL SEAL (14X25X5-2H7)
93104-14059-00
Unavailable
24
SCREW
90149-12097-00
Unavailable
25
NUT
90179-12197-00
Unavailable
26
. O-RING
93210-10010-00
Unavailable
