- Partiron
- OEM Parts
- Yamaha
- motorcycle
- 1996
- RT100H (RT100) 1996
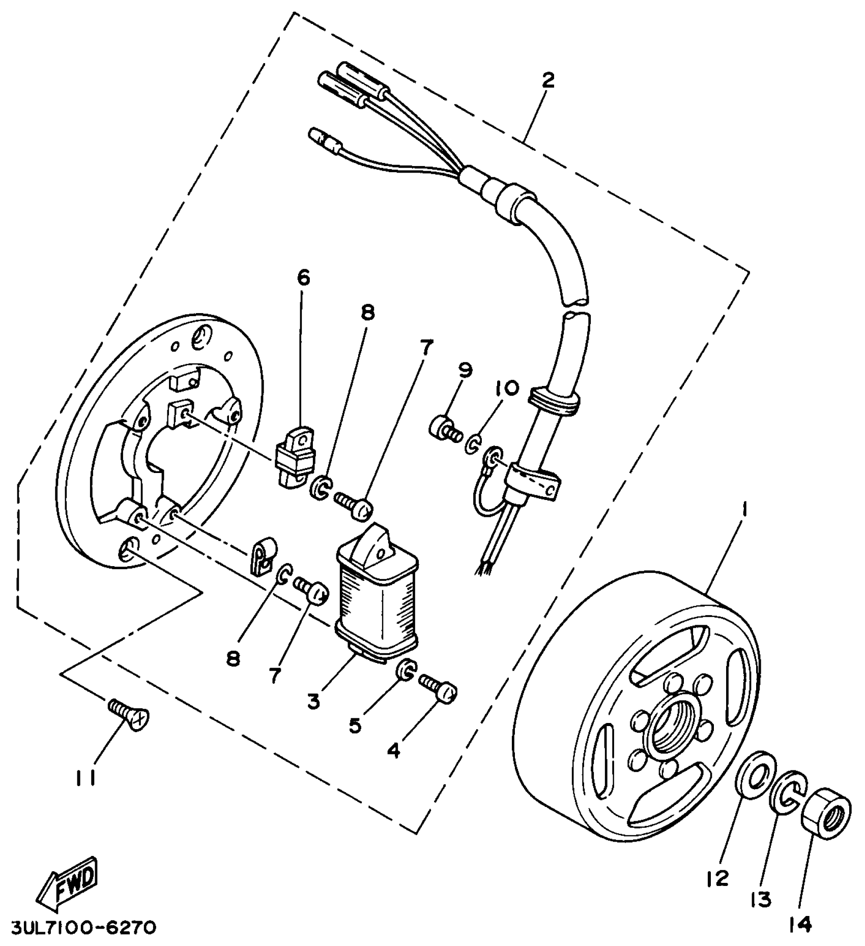
GENERATOR
Yamaha RT100H (RT100) 1996 GENERATOR Diagram
#
Description
Price
1
ROTOR ASSEMBLY
3M2-85550-21-00
Unavailable
2
STATOR ASSEMBLY
3M2-85510-22-00
Unavailable
3
. COIL, SOURCE
3M2-85512-22-00
Unavailable
6
COIL, PULSER
3FJ-85580-00-00
Unavailable
9
SCREW, PAN HEAD(3XP)
98517-04006-00
Unavailable
12
WASHER (492)
90201-12535-00
Unavailable
