- Partiron
- OEM Parts
- Yamaha
- motorcycle
- 1995
- RT100G (RT100) 1995
STEERING
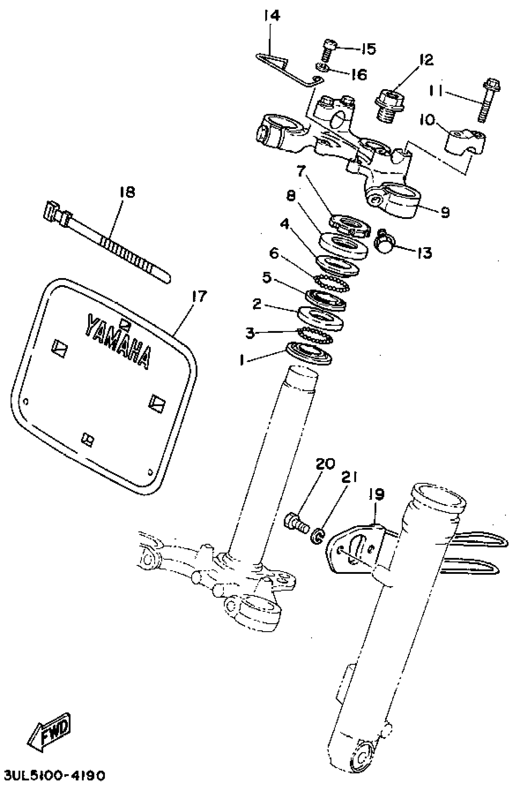
Yamaha RT100G (RT100) 1995 STEERING Diagram
#
Description
Price
9
CROWN, HANDLE
354-23435-00-35
Unavailable
14
GUIDE, CABLE
3UL-2331E-00-00
Unavailable
15
SCREW, PAN HEAD(62J)
97885-06012-00
Unavailable
16
WASHER, SPRING
92995-06100-00
Unavailable
17
PLATE, NUMBER
3UL-23485-40-00
Unavailable
18
BAND, SWITCH CORD
437-83936-11-00
Unavailable
19
HOLDER, CABLE 1
1T9-23318-00-00
Unavailable
20
BOLT, HEXAGON
97017-06012-00
Unavailable
21
WASHER, SPRING
92907-06100-00
Unavailable
