- Partiron
- OEM Parts
- Yamaha
- motorcycle
- 1994
- RT100F (RT100) 1994
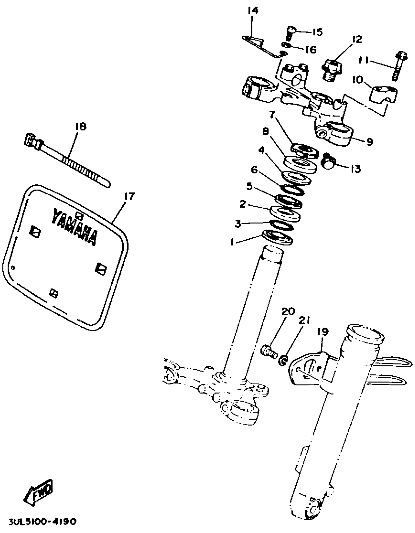
STEERING
Yamaha RT100F (RT100) 1994 STEERING Diagram
#
Description
Price
9
CROWN, HANDLE
354-23435-00-35
Unavailable
14
GUIDE, CABLE
3UL-2331E-00-00
Unavailable
16
WASHER, SPRING
92907-06100-00
Unavailable
17
PLATE, NUMBER
3UL-23485-40-00
Unavailable
18
BAND, SWITCH CORD
437-83936-11-00
Unavailable
19
HOLDER, CABLE 1
1T9-23318-00-00
Unavailable
20
BOLT (661)
97013-06012-00
Unavailable
21
WASHER, SPRING
92995-06100-00
Unavailable
