Partiron

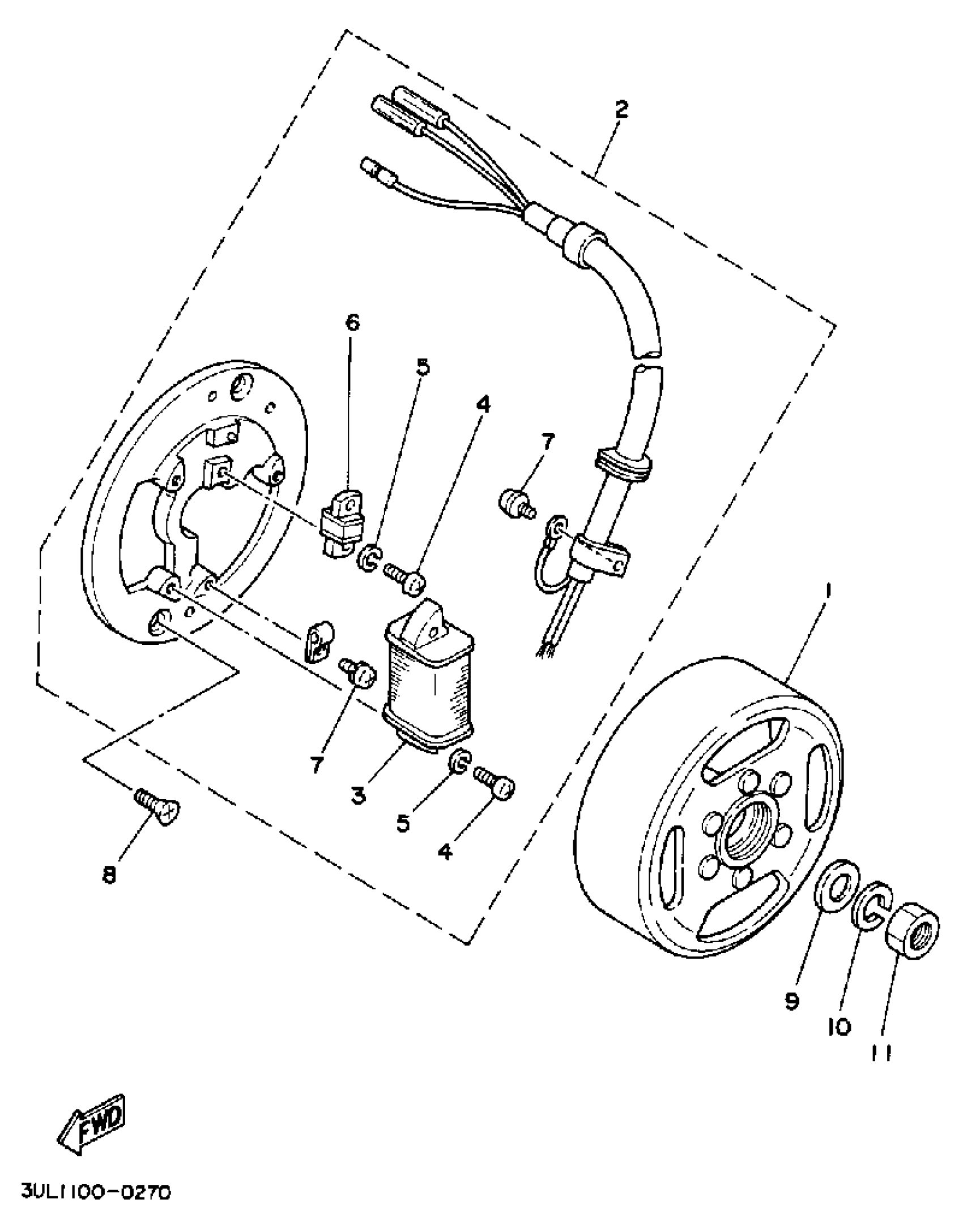
Yamaha RT100A (RT100) 3UL1 1990 GENERATOR Diagram

#

Description
Price

1

. ROTOR ASSEMBLY

3M2-85550-20-00

Unavailable

2

STATOR ASSEMBLY

3M2-85510-21-00

Unavailable

3

. COIL, SOURCE

3M2-85512-20-00

Unavailable

4

SCREW, PAN HEAD(GA5)

98580-04014-00

$4.51

5

YBS67-4 WASHER, SPRING

92990-04100-00

$0.86

6

. COIL, PULSER

3M2-85580-20-00

Unavailable

7

SCREW, PAN HEAD(3XP)

98517-04006-00

Unavailable

8

SCREW, FLAT

98707-06012-00

$8.49

9

WASHER (492)

90201-12535-00

Unavailable

10

YBS67-12 WASHER,SPRING

92990-12100-00

$8.49

11

NUT, HEXAGON 98801-12200

90170-12175-00

$9.49