Yamaha RST90PGTDL (RS VENTURE GT) 8HX30 2013 ELECTRICAL 1 Diagram
#
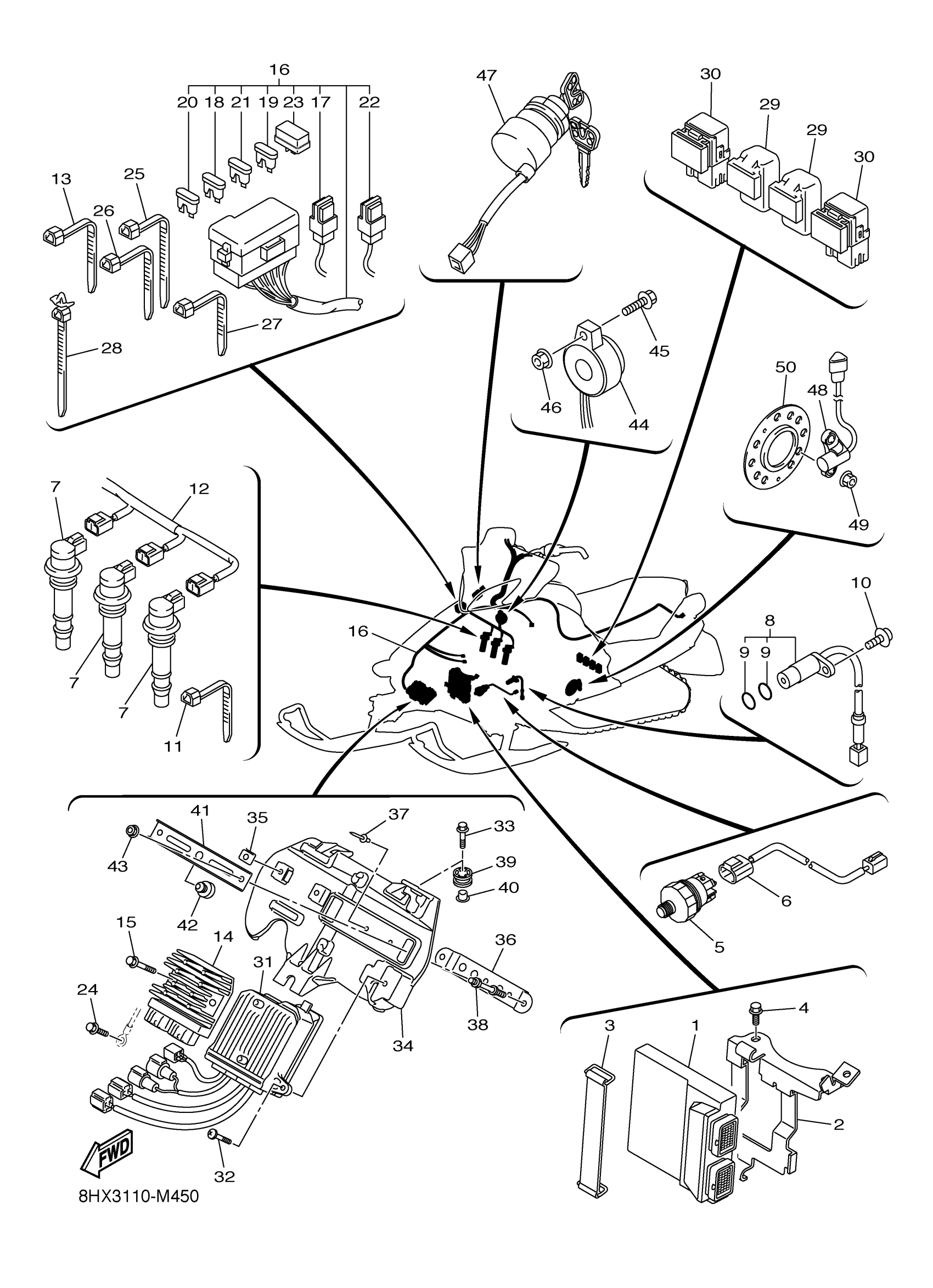
1
ENGINE CONTROL UNIT ASSY
8HX-8591A-00-00
Unavailable
2
BRACKET, UNIT
8HF-85991-00-00
Unavailable
12
LEAD WIRE ASSY
8HV-81515-00-00
Unavailable
16
WIRE HARNESS ASSY
8HX-82590-20-00
Unavailable
17
SLOW BLOW FUSE
JR9-82151-00-00
Unavailable
18
FUSE
5JJ-82151-20-00
Unavailable
19
FUSE (15A)
67F-82151-50-00
Unavailable
20
FUSE (7.5A-BL)
5JJ-82151-00-00
Unavailable
21
. FUSE (3A)
67F-82151-30-00
Unavailable
22
FUSE
4FM-82151-00-00
Unavailable
23
DIODE ASSY
4WA-81980-00-00
Unavailable
24
BOLT, FLANGE
95817-06012-00
Unavailable
27
CLAMP
90464-13077-00
Unavailable
28
CLAMP(2TV)
90464-10112-00
Unavailable
29
RELAY ASSY
5DM-81950-01-00
Unavailable
30
RELAY ASSY (8HG-10
8HG-81951-10-00
Unavailable
31
POWER STRG. CONT. UNIT ASSY
8HG-859A0-11-00
Unavailable
32
SCREW, BIND (J17)
98980-06020-00
Unavailable
33
BOLT, WITH WASHER
90119-06105-00
Unavailable
34
BRKT., CONTROL UNIT
8HG-2830X-00-00
Unavailable
35
NUT, SPRING(4ES)
90183-06069-00
Unavailable
36
BRACKET 1
8HG-2836A-00-00
Unavailable
37
RIVET, BLIND (8L0)
90267-48059-00
Unavailable
38
SCREW, FITTING
8HG-82133-00-00
Unavailable
39
GROMMET
90480-12023-00
Unavailable
40
COLLAR
90387-06203-00
Unavailable
41
BRACKET
8HG-81948-00-00
Unavailable
42
PAD, SEAT
22W-24741-00-00
Unavailable
43
NUT, FLANGE
95702-06500-00
Unavailable
44
BUZZER
8GL-83383-00-00
Unavailable
45
SCREW, WITH WASHER
90159-05035-00
Unavailable
46
NUT, FLANGE
95702-05500-00
Unavailable
47
MAIN SWITCH ASSY
8HV-82510-00-00
Unavailable
48
SENSOR, SPEED
8HG-83755-00-00
Unavailable
49
NUT, NYLON
95717-08300-00
Unavailable
50
HOUSING, FRONT AXLE
8EK-47551-00-00
Unavailable
