Yamaha RS90XT75HL (RS VECTOR XTX 1.75) 8LD2 2017 ELECTRICAL 1 Diagram
#
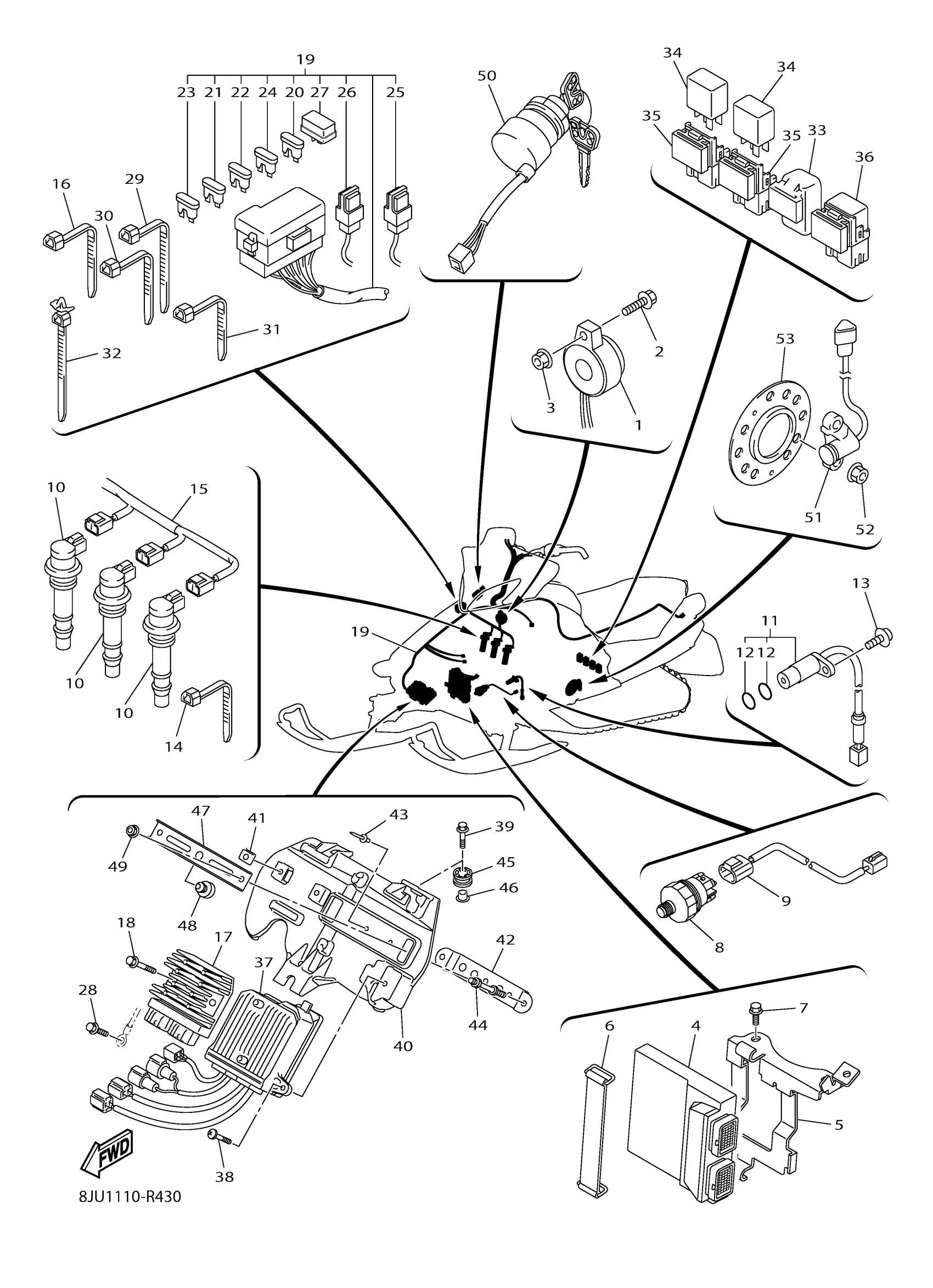
1
BUZZER
8GL-83383-00-00
Unavailable
5
BRACKET, UNIT
8HF-85991-00-00
Unavailable
15
LEAD WIRE ASSY
8HV-81515-00-00
Unavailable
17
RECTIFIER & REGULATOR ASSY
1D7-81960-01-00
Unavailable
18
BOLT, FLANGE
95822-06025-00
Unavailable
19
WIRE HARNESS ASSY
8JU-82590-00-00
Unavailable
20
. FUSE (3A)
67F-82151-30-00
Unavailable
21
FUSE (5A)
67F-82151-20-00
Unavailable
22
FUSE (7.5A-BL)
5JJ-82151-00-00
Unavailable
23
FUSE (15A)
67F-82151-50-00
Unavailable
24
FUSE
5JJ-82151-20-00
Unavailable
25
FUSE
4FM-82151-00-00
Unavailable
26
SLOW BLOW FUSE
JR9-82151-00-00
Unavailable
27
DIODE ASSY
4WA-81980-00-00
Unavailable
28
BOLT, FLANGE
95817-06012-00
Unavailable
31
CLAMP
90464-13077-00
Unavailable
32
CLAMP(2TV)
90464-10112-00
Unavailable
33
RELAY ASSY
5DM-81950-01-00
Unavailable
34
RELAY ASSY (8HG-10
8HG-81951-10-00
Unavailable
35
HOLDER, RELAY
8HG-81952-00-00
Unavailable
36
RELAY ASSY
8GN-81950-00-00
Unavailable
37
POWER STRG. CONT. UNIT ASSY
8HG-859A0-11-00
Unavailable
38
SCREW, BIND (J17)
98980-06020-00
Unavailable
39
BOLT, WITH WASHER
90119-06105-00
Unavailable
40
BRKT., CONTROL UNIT
8HG-2830X-00-00
Unavailable
41
NUT, SPRING(4ES)
90183-06069-00
Unavailable
42
BRACKET 1
8HG-2836A-00-00
Unavailable
43
RIVET, BLIND (8L0)
90267-48059-00
Unavailable
44
SCREW, FITTING
8HG-82133-00-00
Unavailable
45
GROMMET
90480-12023-00
Unavailable
46
COLLAR
90387-06203-00
Unavailable
47
BRACKET
8HG-81948-00-00
Unavailable
48
PAD, SEAT
22W-24741-00-00
Unavailable
49
NUT, FLANGE
95702-06500-00
Unavailable
50
MAIN SWITCH ASSY
8HV-82510-00-00
Unavailable
51
SENSOR, SPEED
8HG-83755-00-00
Unavailable
52
NUT, NYLON
95717-08300-00
Unavailable
53
HOUSING, FRONT AXLE
8EK-47551-00-00
Unavailable
