- Partiron
- OEM Parts
- Yamaha
- snowmobile
- 2006
- RS90NL (NYTRO) 8GF1 2006
SECONDARY SHEAVE
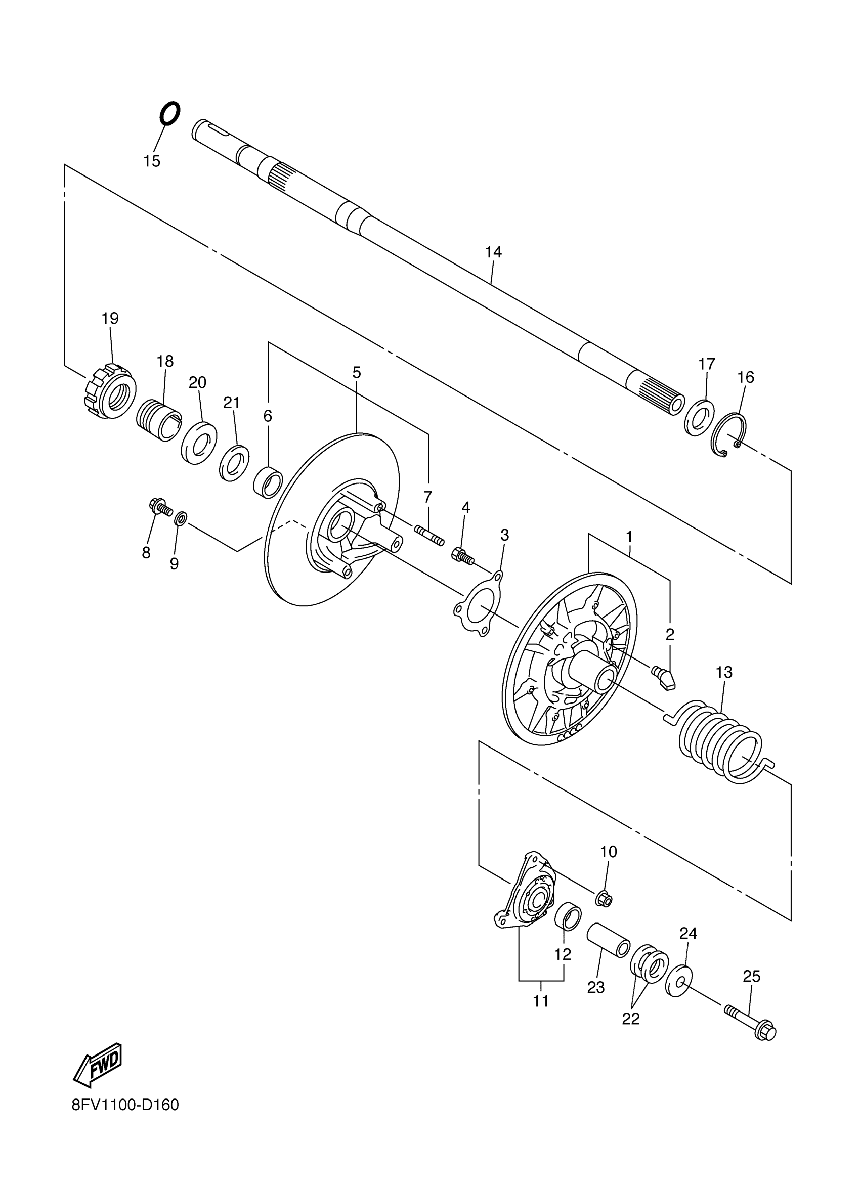
Yamaha RS90NL (NYTRO) 8GF1 2006 SECONDARY SHEAVE Diagram
#
Description
Price
1
SECONDARY FIXED SHEAVE COMP.
8CR-17660-20-00
Unavailable
5
SECONDARY SLIDING SHEAVE
8BU-17670-20-00
Unavailable
14
SHAFT, SECONDARY
8FA-17681-21-00
Unavailable
14
SHAFT, SECONDARY
8FU-17681-00-00
Unavailable
15
O-RING
93210-22298-00
Unavailable
16
CIRCLIP
93410-30084-00
Unavailable
17
WASHER, PLATE (2H7)
90201-30666-00
Unavailable
18
COLLAR
8FA-17645-10-00
Unavailable
19
NUT, BEARING
8FA-17642-00-00
Unavailable
20
WASHER
90209-25012-00
Unavailable
21
WASHER, PLATE (248-27226-00)
90201-25289-00
Unavailable
22
WASHER, PLATE (T=0.5)
90201-222F0-00
Unavailable
22
WASHER, PLATE (8L8)
90201-225A4-00
Unavailable
23
COLLAR
90387-14019-00
Unavailable
24
WASHER, PLATE
90201-14022-00
Unavailable
25
BOLT, WASHER BASED(8CJ)
90105-14766-00
Unavailable
