Partiron

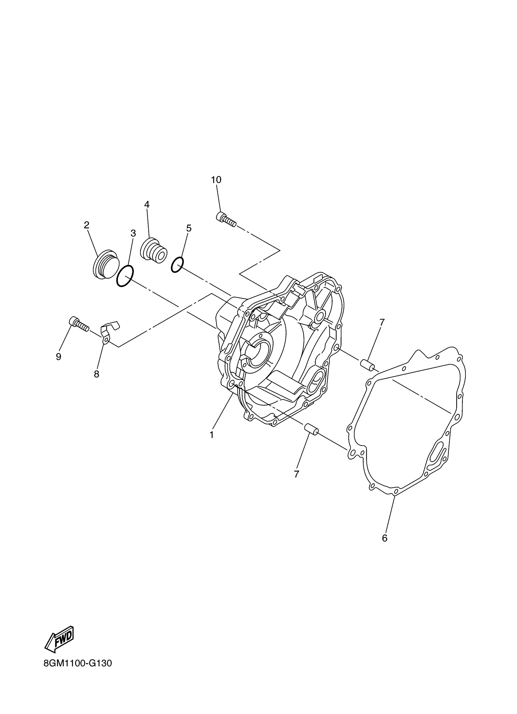
Yamaha RS90LTYW (RS VECTOR LT_GT) 8HD3 2009 CRANKCASE COVER 1 Diagram

#

Description
Price

1

COVER, CRANKCASE 2

8GM-15421-00-00

Unavailable

2

PLUG, STRAIGHT SCREW (15A)

90340-32080-00

$32.99

3

O-RING (341)

93210-32172-00

$7.49

4

PLUG, STRAIGHT SCREW(2HT)

90340-14117-00

$14.99

5

O-RING (2H9)

93210-14369-00

$7.49

6

GASKET, CRANKCASE COVER 2

8ES-15461-01-00

$28.99

7

PIN, DOWEL

99530-08012-00

Unavailable

8

CLAMP(4AJ)

90462-08225-00

$8.49

9

BOLT

90109-06015-00

$4.82

10

BOLT, HEXAGON SOCKET HEAD

90110-06263-00

Unavailable