- Partiron
- OEM Parts
- Yamaha
- motorcycle
- 1976
- RS100C (RS100) 1976
SHIFTER 2
Yamaha RS100C (RS100) 1976 SHIFTER 2 Diagram
#
Description
Price
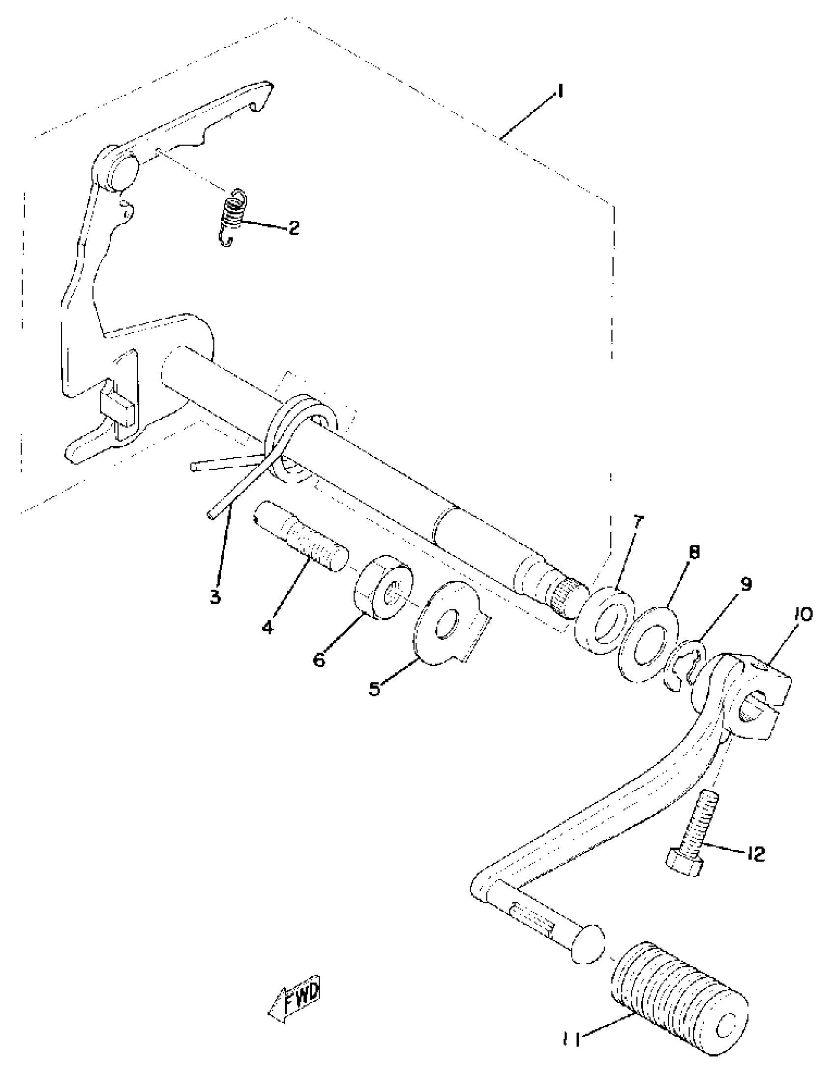
1
CHANGE SHAFT ASSY
276-18101-02-00
Unavailable
2
SPRING TENSION 132181230000
90506-09009-00
Unavailable
9
. CIRCLIP
99001-12600-00
Unavailable
