- Partiron
- OEM Parts
- Suzuki
- Motorcycle
- 2010
- RMX450ZL0 (2010)
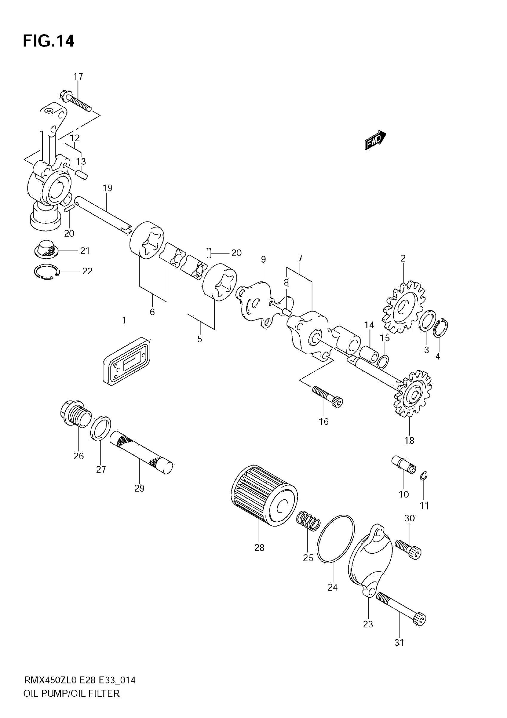
OIL PUMP
Suzuki RMX450ZL0 (2010) OIL PUMP Diagram
#
Description
Price
12
COVER, OIL PUMP NO.2
16450-28H01
Unavailable
22
CIRCLIP
08331-4119A
Unavailable
