- Partiron
- OEM Parts
- Suzuki
- Motorcycle
- 1998
- RMX250W (1998)
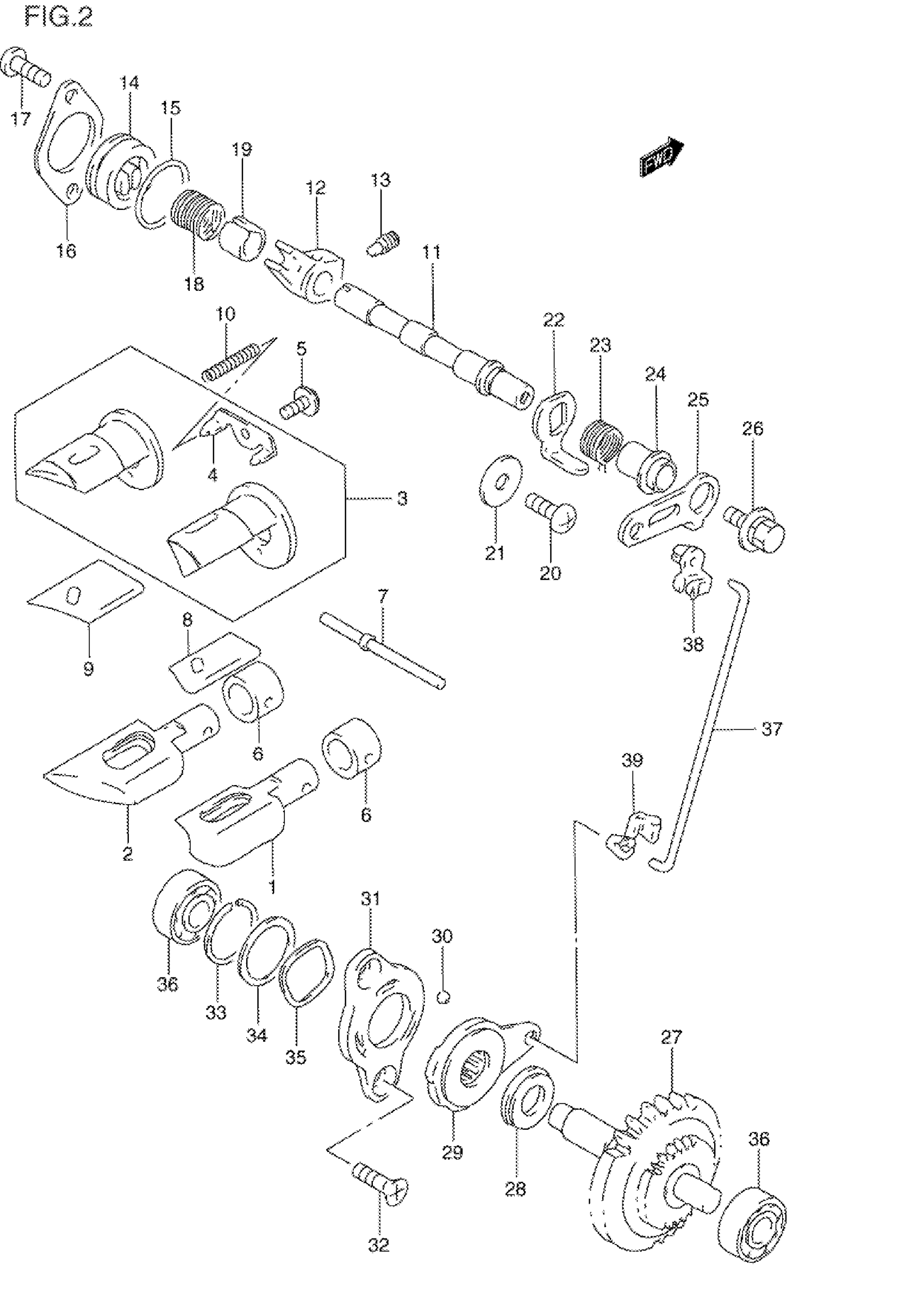
EXHAUST VALVE
Suzuki RMX250W (1998) EXHAUST VALVE Diagram
#
Description
Price
1
VALVE, EXHAUST RH
11254-29E20
Unavailable
2
VALVE, EXHAUST LH
11255-29E20
Unavailable
3
GUIDE SET, EXHAUST VALVE | Includes Item(s) 4
11260-29810
Unavailable
4
STOPPER, SPRING
11252-28C11
Unavailable
6
SPACER, EXHAUST VALVE
11263-29E00
Unavailable
8
VALVE, EXHAUST NO.2 RH
11280-29E11
Unavailable
9
VALVE, EXHAUST NO.2 LH
11290-29E11
Unavailable
11
NO DESCRIPTION AVAILABLE This part replaces 11259-28C00.
11259-28C01
Unavailable
14
CAP, EXHAUST VALVE
11258-27C01
Unavailable
16
RETAINER, EXHAUST VALVE This part replaces 11265-00B21.
11265-00B22
Unavailable
18
SPRING
09444-16005
Unavailable
19
SPACER
11269-00B20
Unavailable
23
SPRING
09444-15010
Unavailable
25
LEVER, EXHAUST VALVE NO.1
11266-28C10
Unavailable
27
GOVERNOR ASSY,E This part replaces 12670-29E10.
12670-29E11
Unavailable
29
ACTUATOR, EXHAUST VALVE
12680-01820
Unavailable
31
STATOR, ACTUATOR
12682-00B20
Unavailable
37
ROD, EXHAUST VALVE
12685-28C10
Unavailable
