Partiron

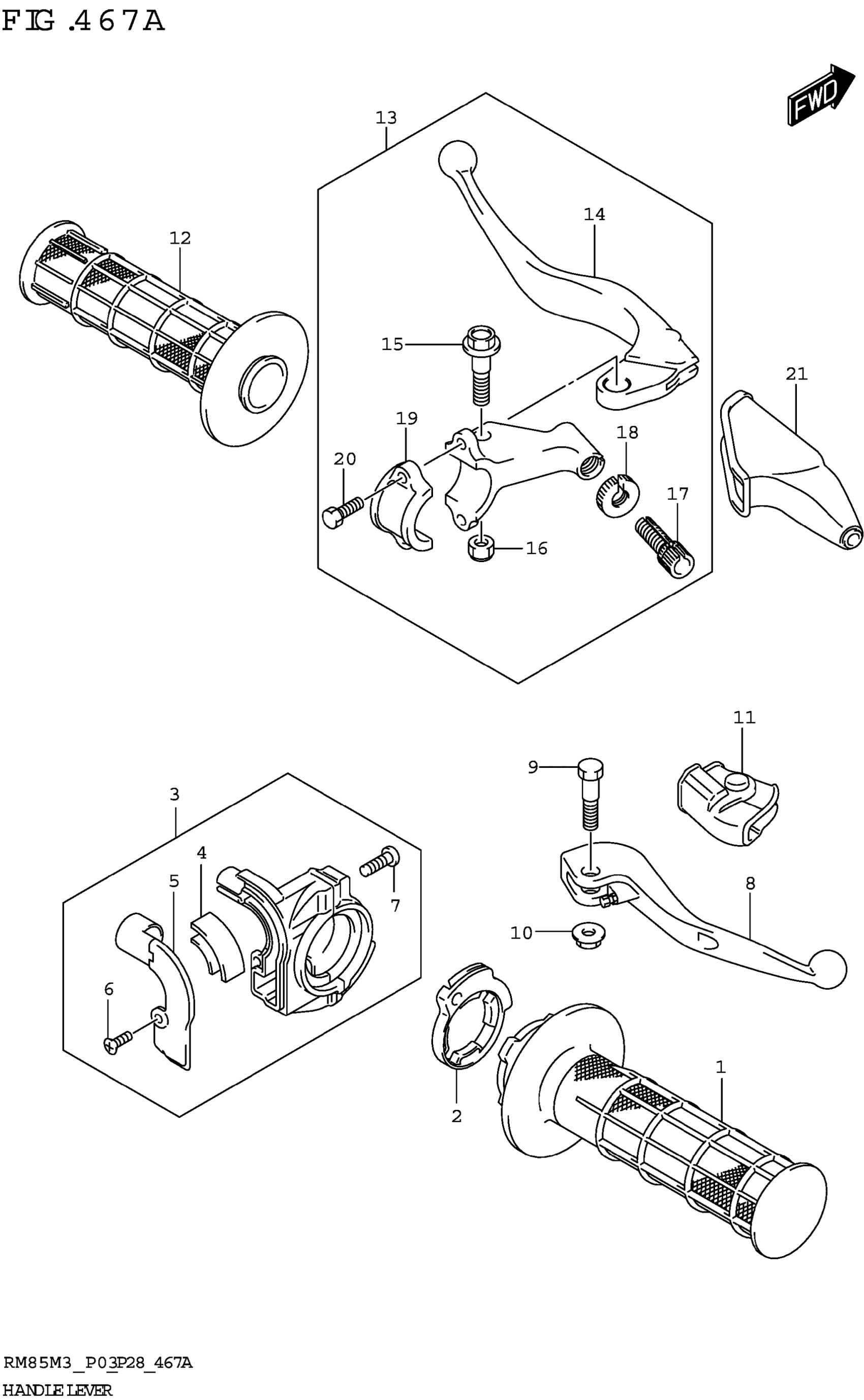
Suzuki RM85M3 (2023) HANDLE LEVER Diagram

#

Description
Price

1

GRIP, THROTTLE

57110-27C00

$26.37

2

ROTER, THROTTLE

57114-20430

$12.57

3

CASE ASSY, THROTTLE This part replaces 57100-03D11.

57100-03D12

$45.64

4

.GUIDE This part replaces 57122-03D10.

57122-03D11

$8.48

5

.COVER

57129-03D10

$28.25

6

.SCREW

02132-0406B

$3.40

7

.SCREW

02112-0516A

$1.49

8

LEVER ASSY,BRAKE

57310-37F00

$36.54

9

BOLT, BRAKE LEVER

57431-14500

$6.28

10

NUT This part replaces 57442-14500.

08316-1006B

$2.50

11

COVER,BRAKE LEVER

57343-35G00

$19.03

12

GRIP LH

57211-27C00

$12.28

13

LEVER ASSY,CLUTCH

57500-28C13

$82.52

14

.LEVER,CLUTCH

57621-28C00

$16.33

15

.BOLT,LEVER

57431-28C01

$8.47

16

.NUT

08319-2106A

$1.91

17

.ADJUSTER,WIRE

57441-28C10

$13.73

18

.NUT,LOCK

57442-28C00

$12.97

19

.BRACKET, CLUTCH LEVER HOLDER

57512-28C00

$25.63

20

.BOLT

01500-0516B

$2.15

21

COVER, CLUTCH LEVER

57341-40003

$5.56