Partiron

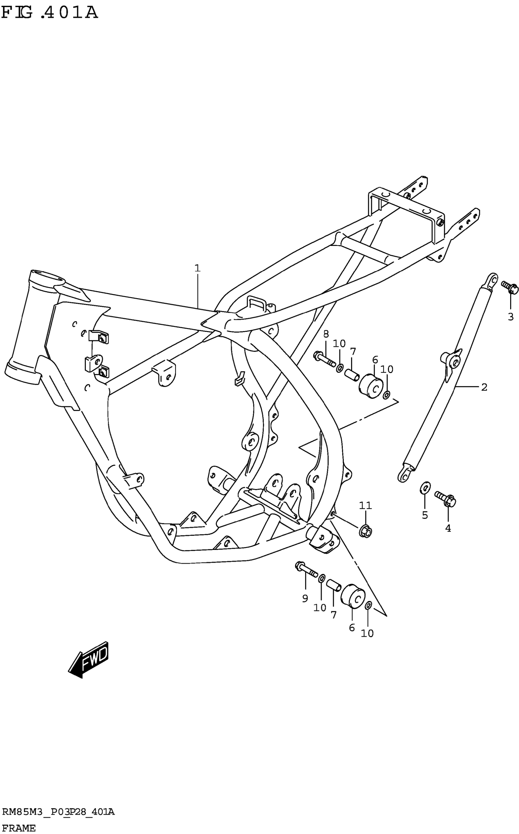
Suzuki RM85M3 (2023) FRAME Diagram

#

Description
Price

1

FRAME (GRAY)

41100-03BB1-YU8

$1,877.62

2

TUBE,FRAME SIDE LH (GRAY)

41670-02B30-YU8

Unavailable

3

BOLT (8X22)

09100-08274

$3.78

4

BOLT (M8X16)

09100-08284

$3.87

5

WASHER (8.5X18X2.0)

09160-08120

$2.19

6

ROLLER,CHAIN CONTROL

43911-35B00

$19.98

7

SPACER (8.6X12.2X25.5)

09180-08214

$5.18

8

BOLT (8X38)

09103-08178

$4.69

9

.BOLT (8X55)

09103-08339

$3.49

10

SHIM (8X16X1)

09181-08167

$1.96

11

NUT

08319-3108A

$2.32