Partiron

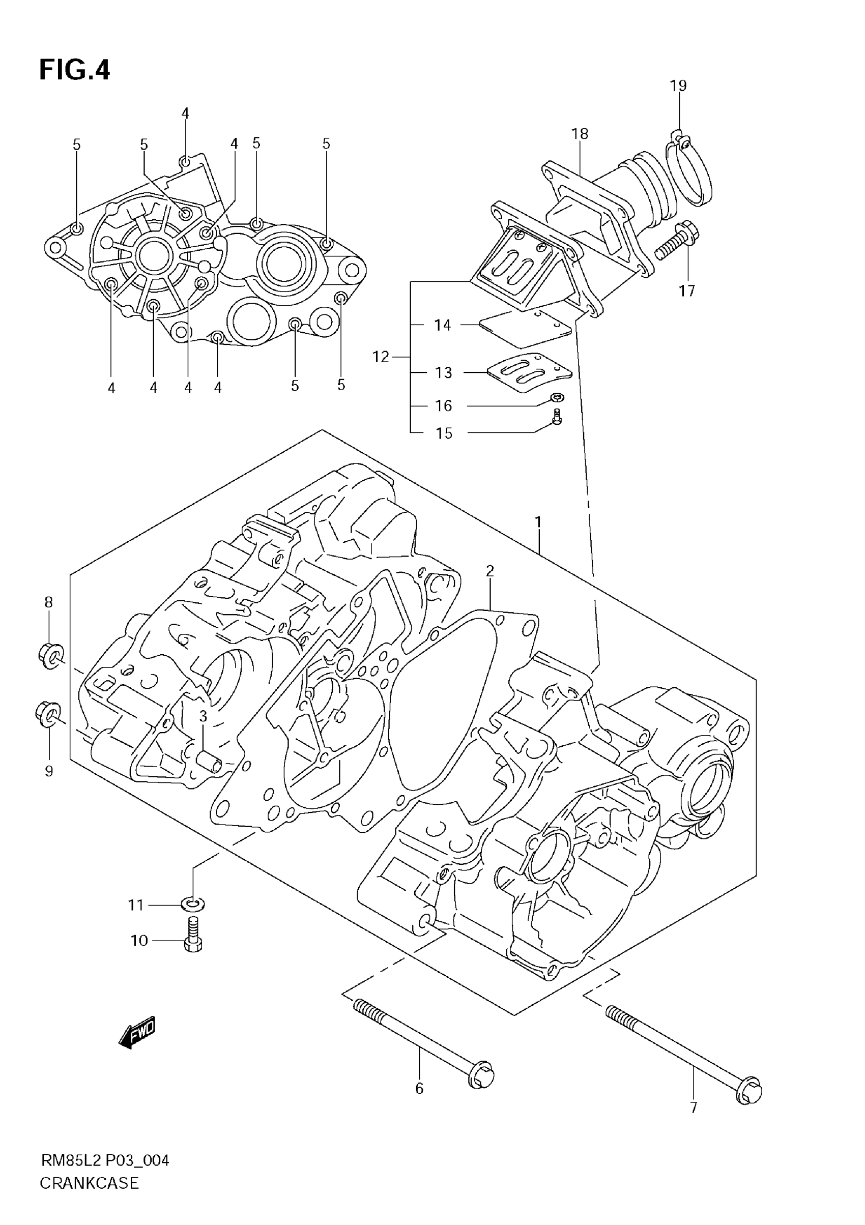
Suzuki RM85L2 (2012) CRANKCASE Diagram

#

Description
Price

1

CRANKCASE SET This part replaces 11300-03821.

11300-03822

$811.58

2

GASKET, CRANKCASE

11481-03B00

$15.70

3

PIN

04211-09129

$1.65

4

BOLT

01547-0640A

$2.32

5

BOLT (6X50)

09103-06244

$2.76

6

BOLT (10X95)

09103-10345

$7.58

7

BOLT (8X102)

09103-08296

$7.11

8

NUT

09159-08067

$5.57

9

NUT (M10)

09159-10060

$1.94

10

PLUG | OIL DRAIN

01500-0816B

$2.50

11

GASKET (8.2X14X1)

09168-08016

$1.65

12

VALVE ASSY,REED This part replaces 13150-02B50.

13150-02B51

$143.92

13

STOPPER, REED VALVE

13152-02B50

$7.88

14

VALVE, REED

13153-02B40

$13.20

15

SCREW

02112-0306B

$1.59

16

LOCK WASHER

08321-2103B

$1.49

17

BOLT

01547-06207

$2.01

18

PIPE,INTAKE This part replaces 13110-03B00.

13110-03B01

$58.08

19

CLAMP

09402-42208

$6.88