- Partiron
- OEM Parts
- Suzuki
- Motorcycle
- 1995
- RM80 (1995)
CRANKSHAFT (MODEL K)
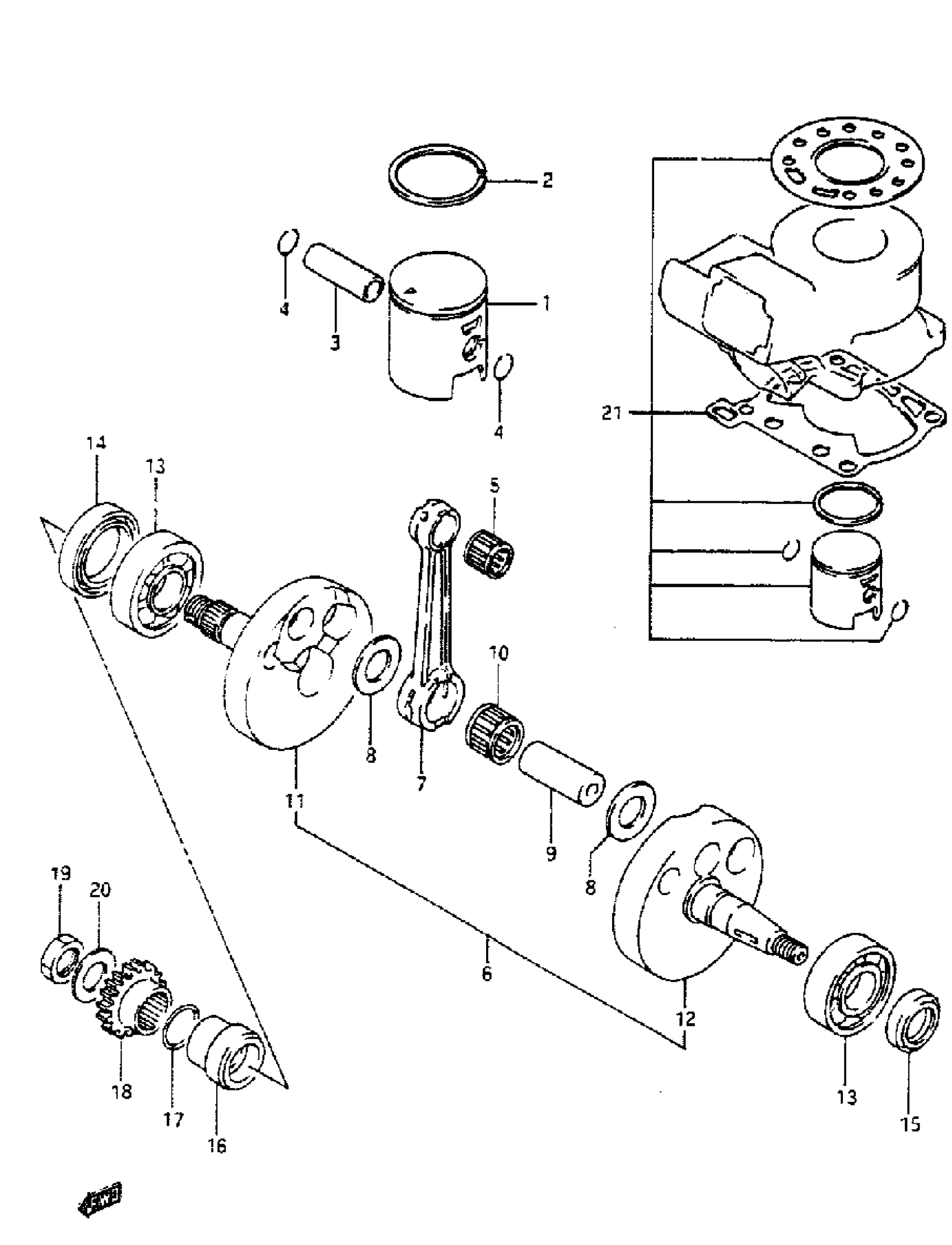
Suzuki RM80 (1995) CRANKSHAFT (MODEL K) Diagram
#
Description
Price
1
PISTON This part replaces 12110-02B42-0F0.
12110-02B43-0F0
Unavailable
1
NO DESCRIPTION AVAILABLE | OPT This part replaces 12110-02B42-050.
12103-02821-050
Unavailable
1
NO DESCRIPTION AVAILABLE | OPT This part replaces 12110-02B42-100.
12103-02820-100
Unavailable
2
RING, PISTON (OS:0.5) | OPT
12141-02B50-050
Unavailable
2
RING, PISTON (OS:1.0) | OPT
12141-02B50-100
Unavailable
6
CRANKSHAFT ASSY
12200-02B40
Unavailable
7
ROD, CONNECTING This part replaces 12161-02B41-0D0.
12161-02B10
Unavailable
8
WASHER
09160-18023
Unavailable
9
PIN, CRANK
12211-02B42
Unavailable
10
BEARING
09263-18026-0C0
Unavailable
11
CRANKSHAFT, RH
12221-02B40
Unavailable
12
CRANKSHAFT, LH
12261-02B40
Unavailable
21
NO DESCRIPTION AVAILABLE | OPT This part replaces 12102-02820.
12102-02823
Unavailable
21
NO DESCRIPTION AVAILABLE | OPT This part replaces 12102-02820-050.
12102-02823-050
Unavailable
