- Partiron
- OEM Parts
- Suzuki
- Motorcycle
- 1981
- RM80 (1981)
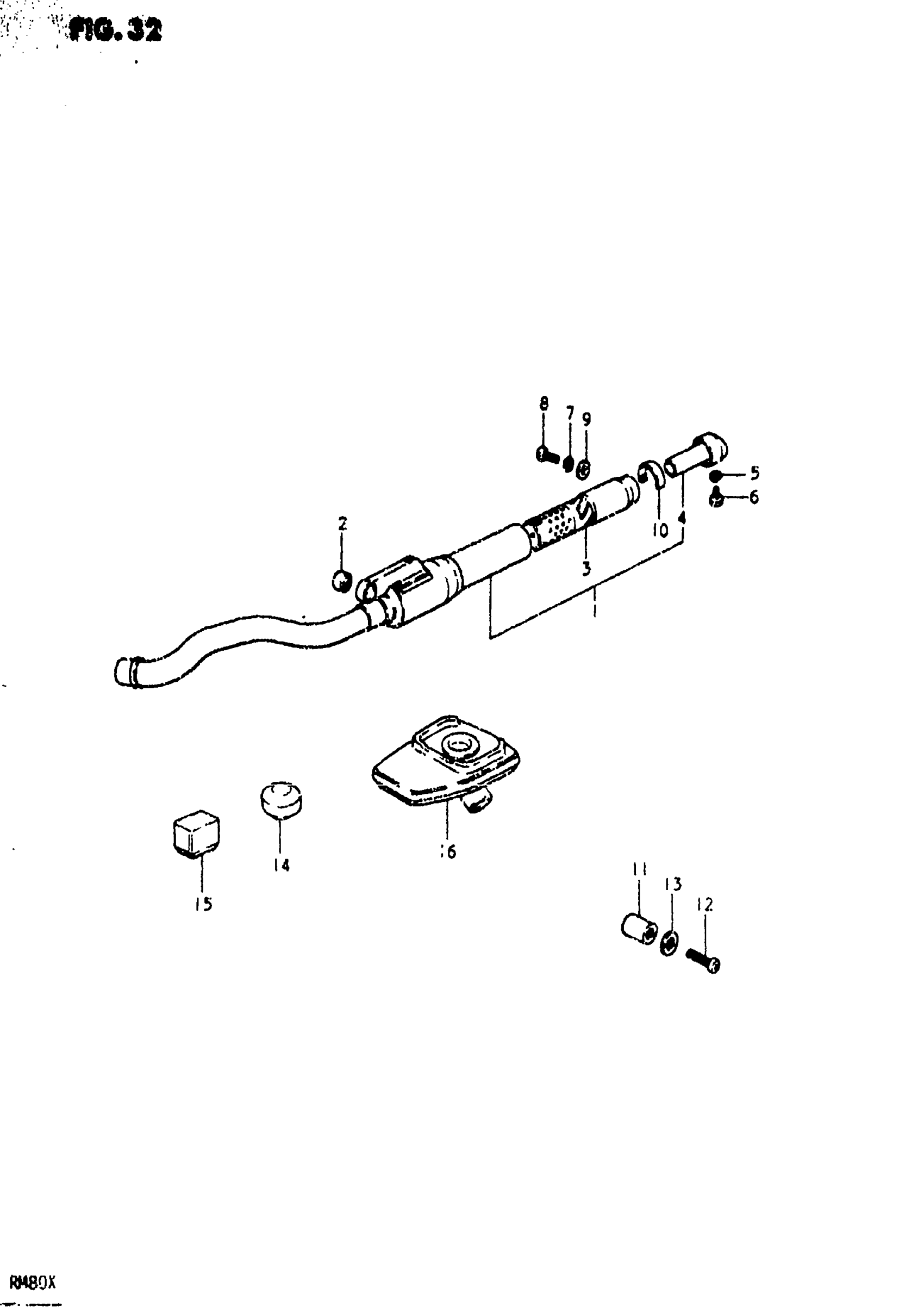
OPTIONAL (OFF-ROAD SOUND KIT)
Suzuki RM80 (1981) OPTIONAL (OFF-ROAD SOUND KIT) Diagram
#
Description
Price
0
NO DESCRIPTION AVAILABLE | Includes Item(s) 1 - 16 This part replaces 14300-46851.
14300-46851-H01
Unavailable
1
NO DESCRIPTION AVAILABLE This part replaces 14303-20310.
14303-20310-H01
Unavailable
2
BUSH
09319-08011
Unavailable
3
BODY, ARRESTOR
14810-38601
Unavailable
4
TUBE, CLEAN OUT
14850-48000
Unavailable
10
BAND, ARRESTOR
14843-38600
Unavailable
16
CAP, AIR CLEANER
13748-20300
Unavailable
