- Partiron
- OEM Parts
- Suzuki
- Motorcycle
- 1981
- RM80 (1981)
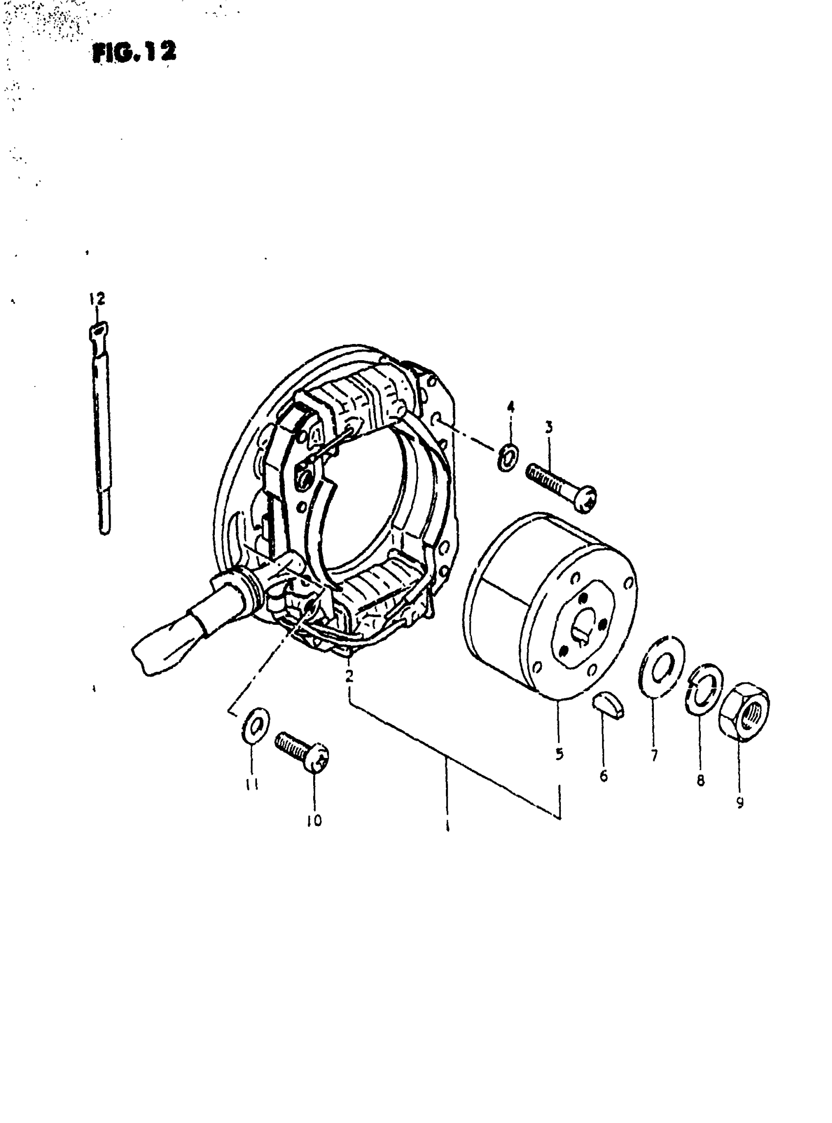
MAGNETO
Suzuki RM80 (1981) MAGNETO Diagram
#
Description
Price
1
MAGNETO ASSY | Includes Item(s) 2 - 5
32100-46921
Unavailable
2
STATOR ASSY This part replaces 32101-46921.
32101-40221
Unavailable
5
ROTOR
32102-46920
Unavailable
