- Partiron
- OEM Parts
- Suzuki
- Motorcycle
- 1981
- RM80 (1981)
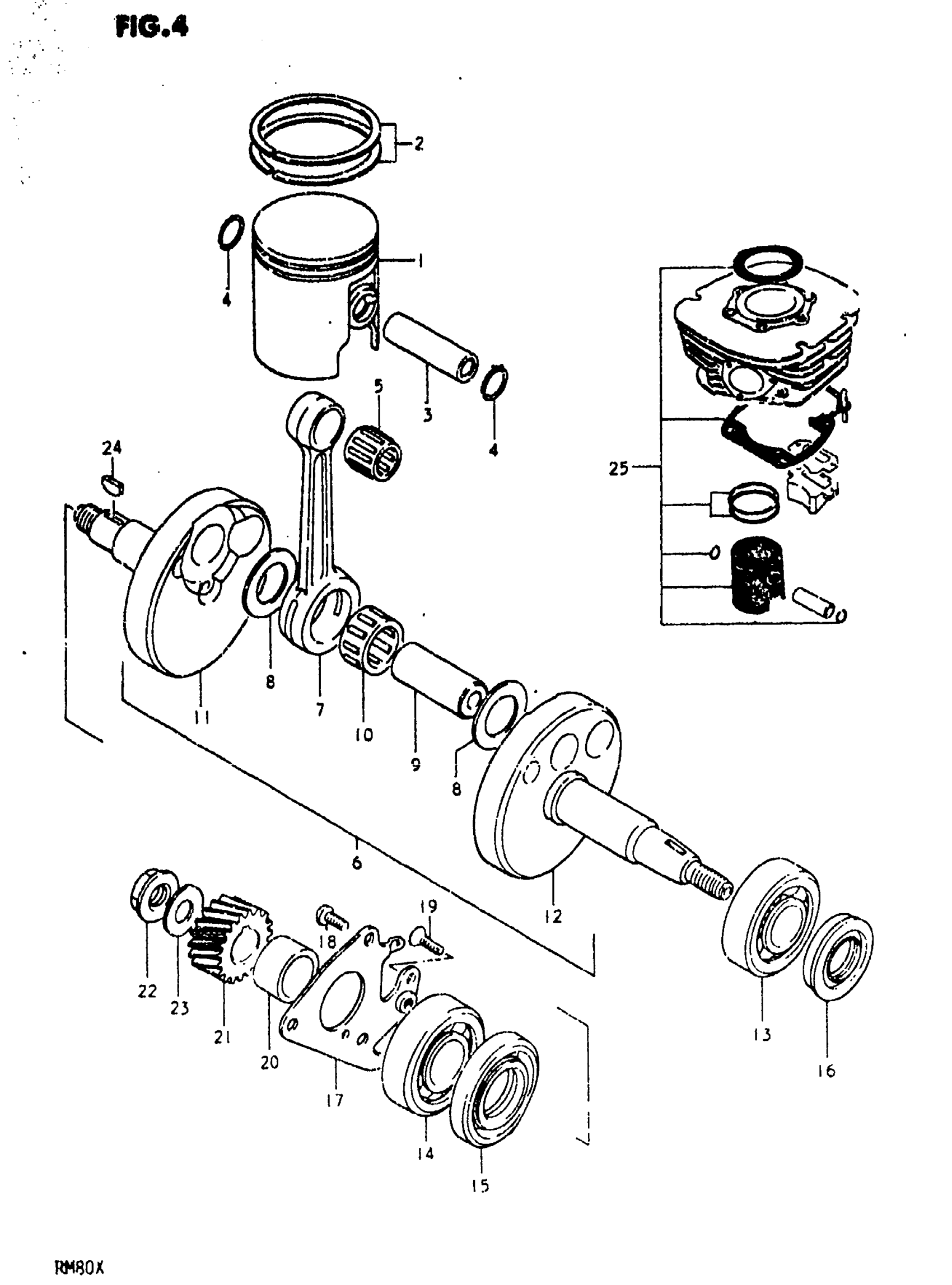
CRANKSHAFT
Suzuki RM80 (1981) CRANKSHAFT Diagram
#
Description
Price
1
PISTON (STD)
12110-46002
Unavailable
1
NO DESCRIPTION AVAILABLE This part replaces 12110-46002-050.
12103-46810-050
Unavailable
1
NO DESCRIPTION AVAILABLE This part replaces 12110-46002-100.
12104-46820-100
Unavailable
1
PISTON (OS:1.5)
12110-46002-150
Unavailable
2
RING SET, PISTON (STD)
12140-46000
Unavailable
2
RING SET, PISTON (OS:0.5)
12140-46000-050
Unavailable
2
RING SET, PISTON (OS:1.0)
12140-46000-100
Unavailable
2
RING SET, PISTON (OS:1.5)
12140-46000-150
Unavailable
6
NO DESCRIPTION AVAILABLE | Includes Item(s) 7 - 12 This part replaces 12200-20300.
12200-20302
Unavailable
9
PIN, CRANK
12211-26400
Unavailable
11
CRANKSHAFT, RH
12221-20300
Unavailable
12
CRANKSHAFT, LH | MODEL T This part replaces 12261-20300.
12261-20301
Unavailable
12
CRANKSHAFT, LH | MODEL X
12261-20301
Unavailable
14
BEARING, RH (20X47X14) This part replaces 09262-20045.
09262-20064
Unavailable
17
RETAINER, BEARING RH
12541-46900
Unavailable
20
SPACER
09180-20075
Unavailable
21
GEAR, PRIMARY DRIVE (NT:19)
21111-46000
Unavailable
23
WASHER
09164-12016
Unavailable
25
ENGINE TOP END KIT | STD
12100-46830
Unavailable
25
ENGINE TOP END KIT | OS:0.5
12100-46830-050
Unavailable
