- Partiron
- OEM Parts
- Suzuki
- Motorcycle
- 1982
- RM465 (1982)
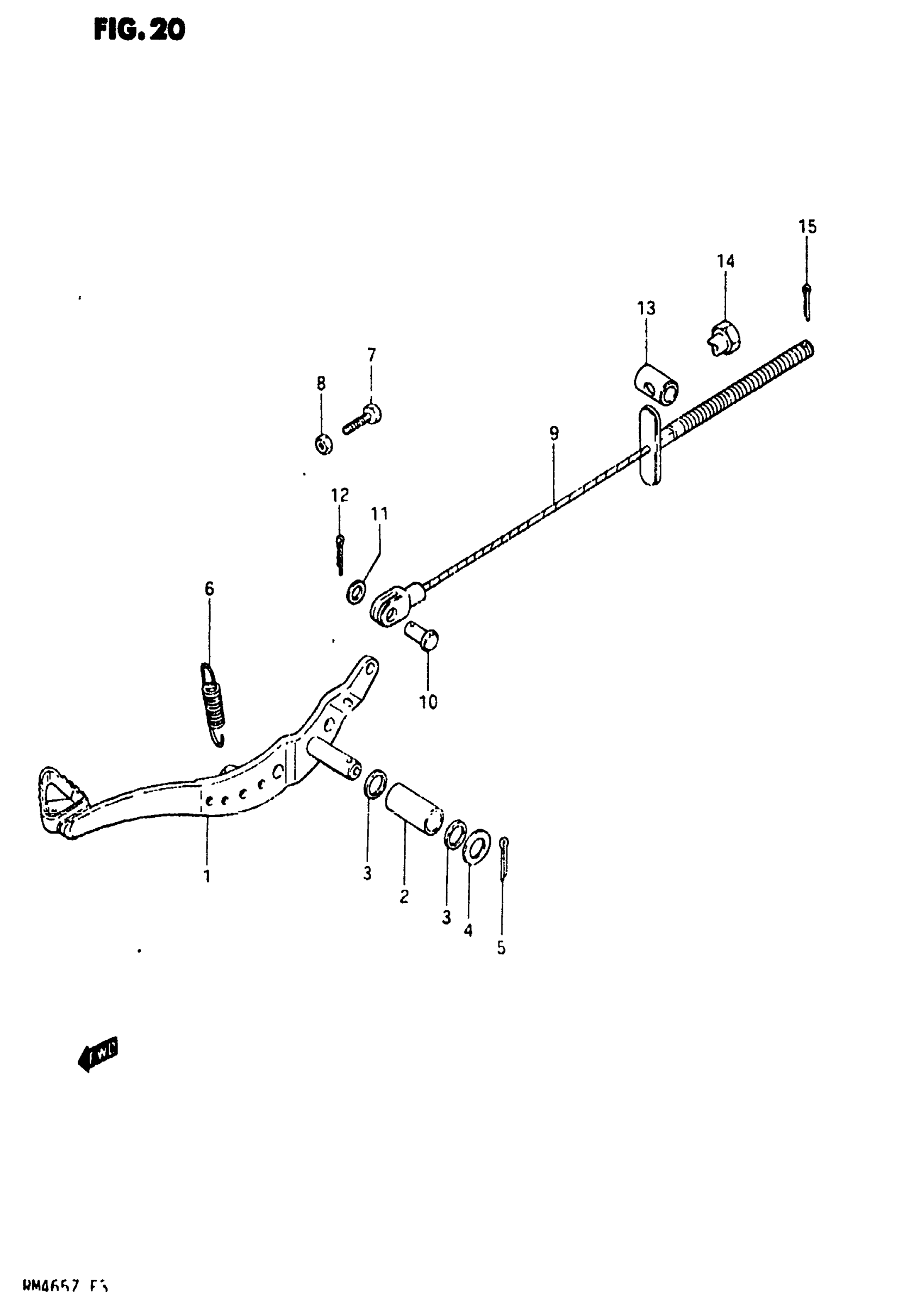
REAR BRAKE
Suzuki RM465 (1982) REAR BRAKE Diagram
#
Description
Price
1
PEDAL, BRAKE | MODEL X This part replaces 43110-14201.
43110-14202
Unavailable
1
PEDAL, BRAKE | MODEL Z
43110-14202
Unavailable
2
BUSH
09319-12022
Unavailable
6
SPRING This part replaces 09448-31024.
09448-31024-XC0
Unavailable
9
CABLE, REAR BRAKE | MODEL X This part replaces 58510-14200.
58510-14A00
Unavailable
9
CABLE, REAR BRAKE | MODEL Z This part replaces 58510-14201.
58510-14A00
Unavailable
13
PIN, ADJUSTER
09209-13004
Unavailable
