- Partiron
- OEM Parts
- Suzuki
- Motorcycle
- 1982
- RM465 (1982)
CRANKSHAFT
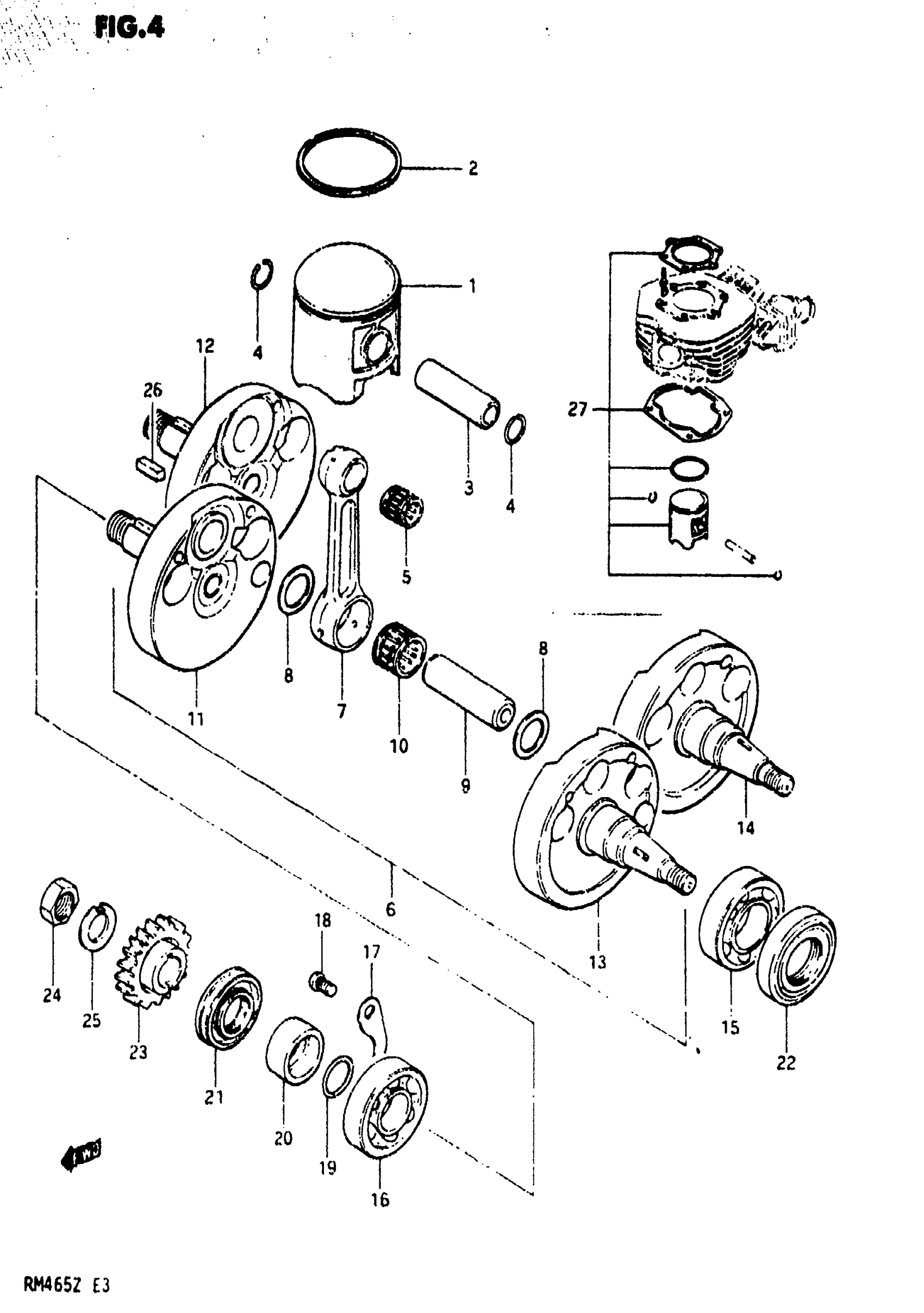
Suzuki RM465 (1982) CRANKSHAFT Diagram
#
Description
Price
1
PISTON (STD)
12110-14210
Unavailable
1
PISTON (OS:0.25)
12110-14210-025
Unavailable
1
PISTON (OS:0.50)
12110-14210-050
Unavailable
2
RING, PISTON (STD)
12141-14210
Unavailable
2
RING, PISTON (OS:0.25)
12141-14210-025
Unavailable
2
RING, PISTON (OS:0.50)
12141-14210-050
Unavailable
6
CRANKSHAFT ASSY | MODEL X
12200-14212
Unavailable
6
CRANKSHAFT ASSY | MODEL Z; Includes Item(s) 7 - 14
12200-14220
Unavailable
7
ROD, CONNECTING
12161-14211
Unavailable
8
WASHER
09160-25031
Unavailable
9
PIN, CRANK
12211-14210
Unavailable
10
BEARING
09263-25032
Unavailable
11
CRANKSHAFT, RH | MODEL X
12221-14212
Unavailable
12
CRANKSHAFT, RH | MODEL Z
12221-14220
Unavailable
13
CRANKSHAFT, LH | MODEL X
12261-14212
Unavailable
14
CRANKSHAFT, LH | MODEL Z
12261-14220
Unavailable
17
PLATE, BEARING RH
12541-14210
Unavailable
19
O RING
09280-24002
Unavailable
20
SPACER
12359-14212
Unavailable
21
OIL SEAL, RH
09289-37001
Unavailable
23
GEAR, PRIMARY DRIVE (NT:26) | MODEL X This part replaces 21111-40401.
21111-40402
Unavailable
23
GEAR, PRIMARY DRIVE (NT:26) | MODEL Z
21111-40402
Unavailable
24
NUT
09140-14017
Unavailable
25
WASHER
09166-14010
Unavailable
26
KEY
09421-07001
Unavailable
27
ENGINE TOP END KIT | STD
12100-14840
Unavailable
27
ENGINE TOP END KIT | OS:0.25
12100-14840-025
Unavailable
