- Partiron
- OEM Parts
- Suzuki
- Motorcycle
- 2006
- RM250 (2006)
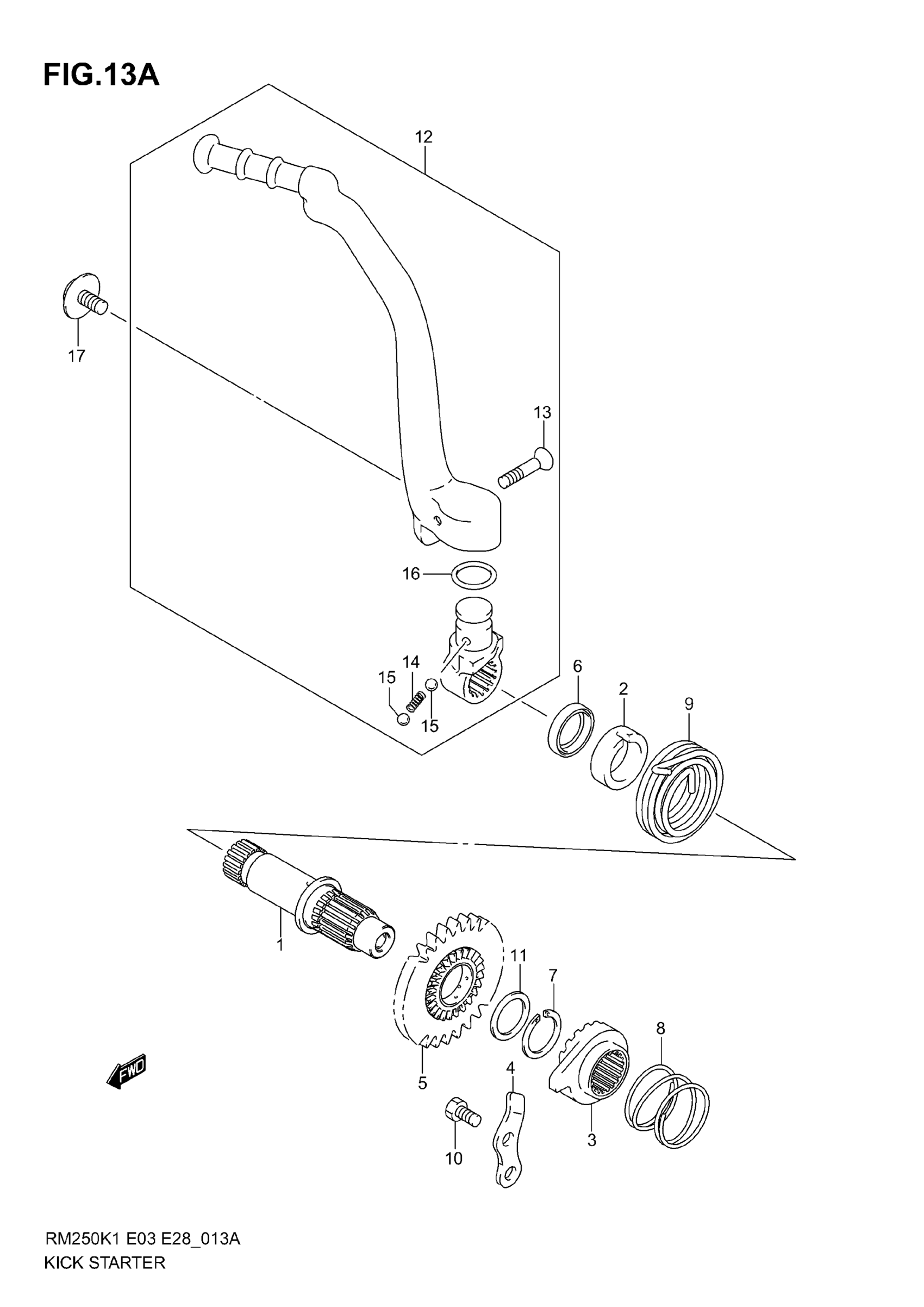
KICK STARTER (MODEL K5/K6)
Suzuki RM250 (2006) KICK STARTER (MODEL K5/K6) Diagram
#
Description
Price
3
STARTER, KICK
26231-37F00
Unavailable
5
GEAR, KICK STARTER DRIVE | NT:28
26240-37F00
Unavailable
