- Partiron
- OEM Parts
- Suzuki
- Motorcycle
- 2006
- RM250 (2006)
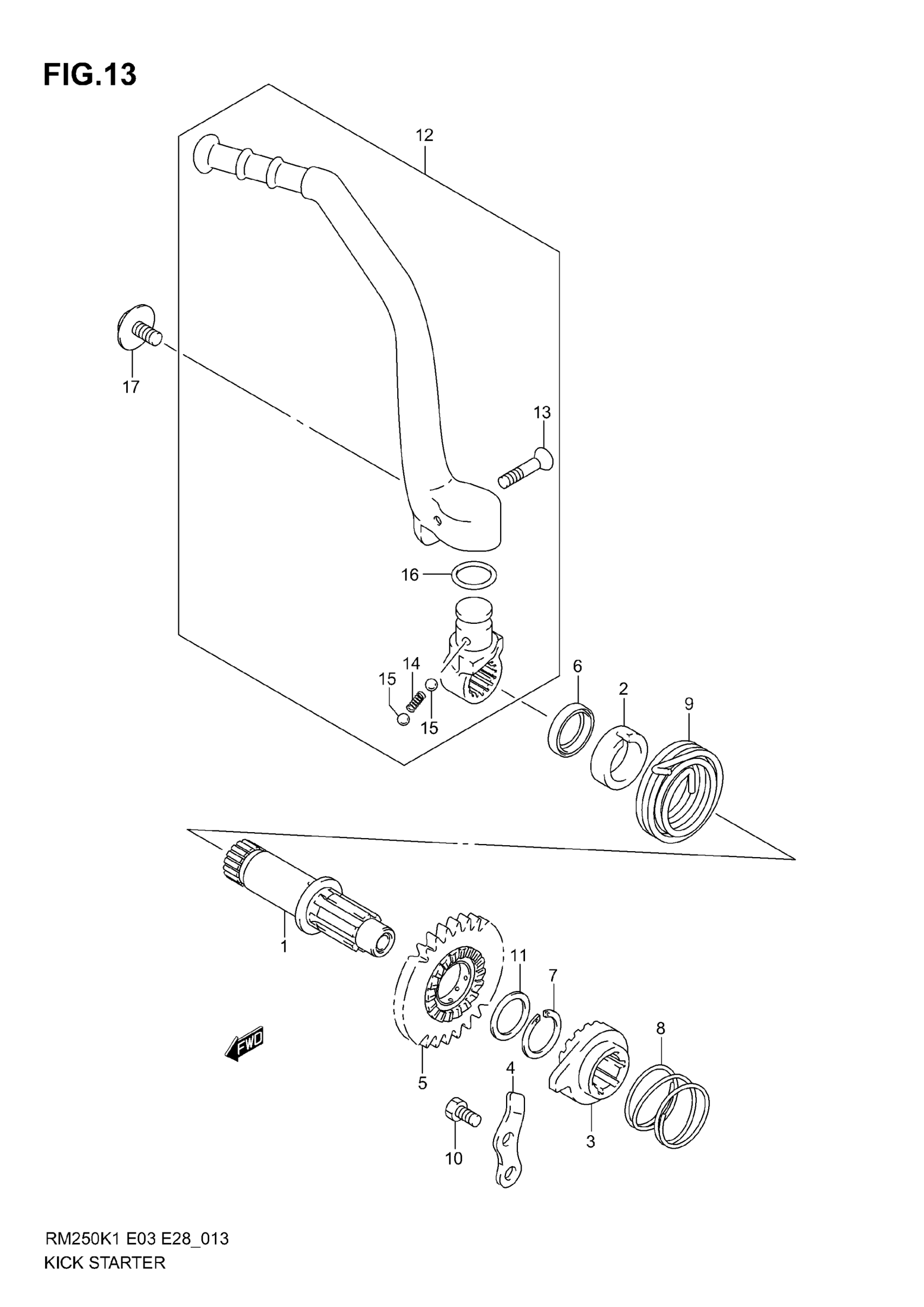
KICK STARTER (MODEL K1/K2/K3/K4)
Suzuki RM250 (2006) KICK STARTER (MODEL K1/K2/K3/K4) Diagram
#
Description
Price
1
SHAFT, KICK STARTER | MODEL K1/K2 This part replaces 26211-05D02.
26211-05D03
Unavailable
1
SHAFT, KICK STARTER | MODEL K3/K4
26211-05D03
Unavailable
3
STARTER, KICK
26231-28E21
Unavailable
5
GEAR, KICK STARTER DRIVE | NT:28
26240-37E00
Unavailable
