- Partiron
- OEM Parts
- Suzuki
- Motorcycle
- 2006
- RM250 (2006)
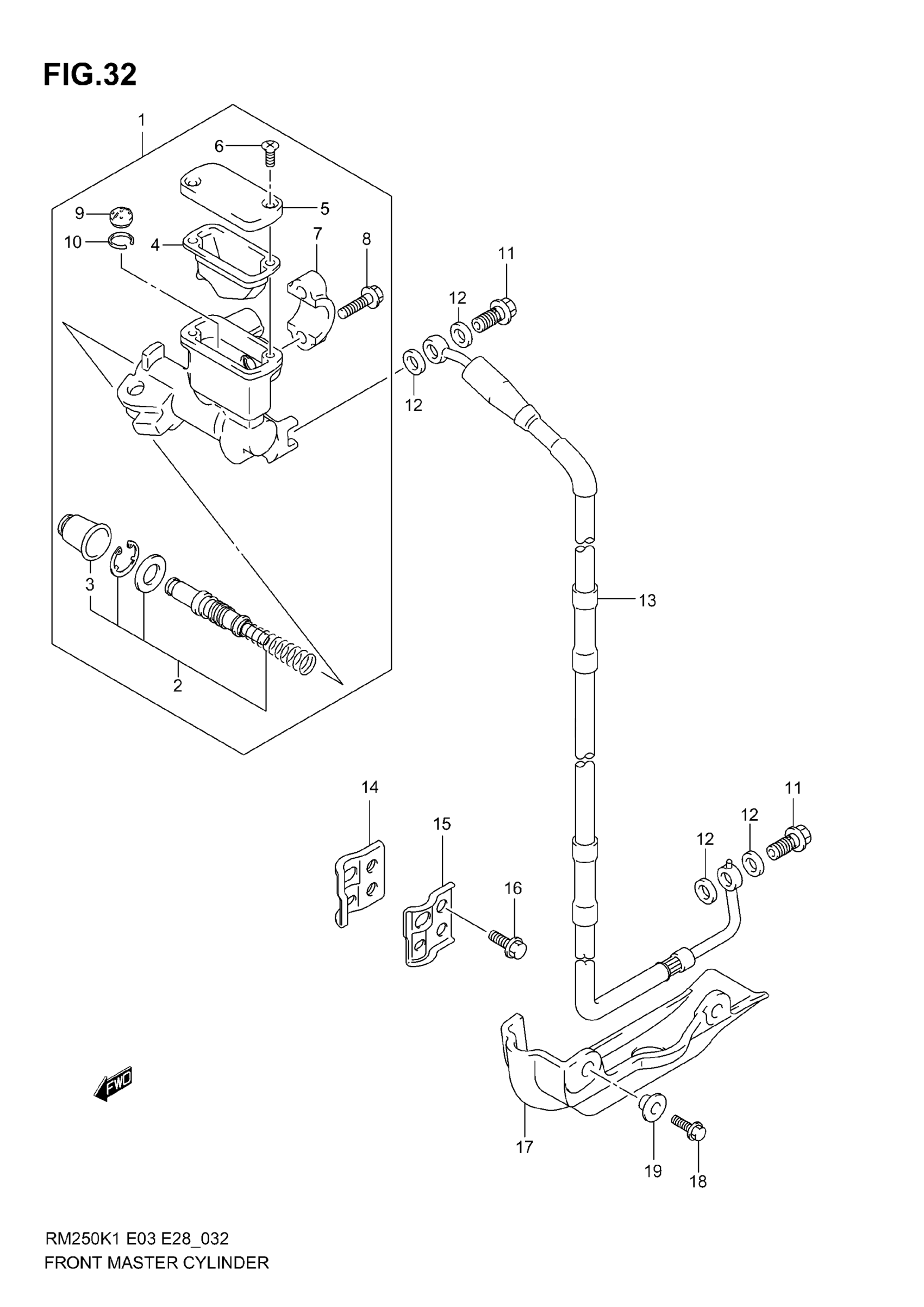
FRONT MASTER CYLINDER (MODEL K1/K2/K3)
Suzuki RM250 (2006) FRONT MASTER CYLINDER (MODEL K1/K2/K3) Diagram
#
Description
Price
13
HOSE, FRONT BRAKE
59480-36E30
Unavailable
17
COVER, FRONT BRAKE HOSE
59233-37F00
Unavailable
