- Partiron
- OEM Parts
- Suzuki
- Motorcycle
- 1993
- RM250 (1993)
FRONT DAMPER (R)
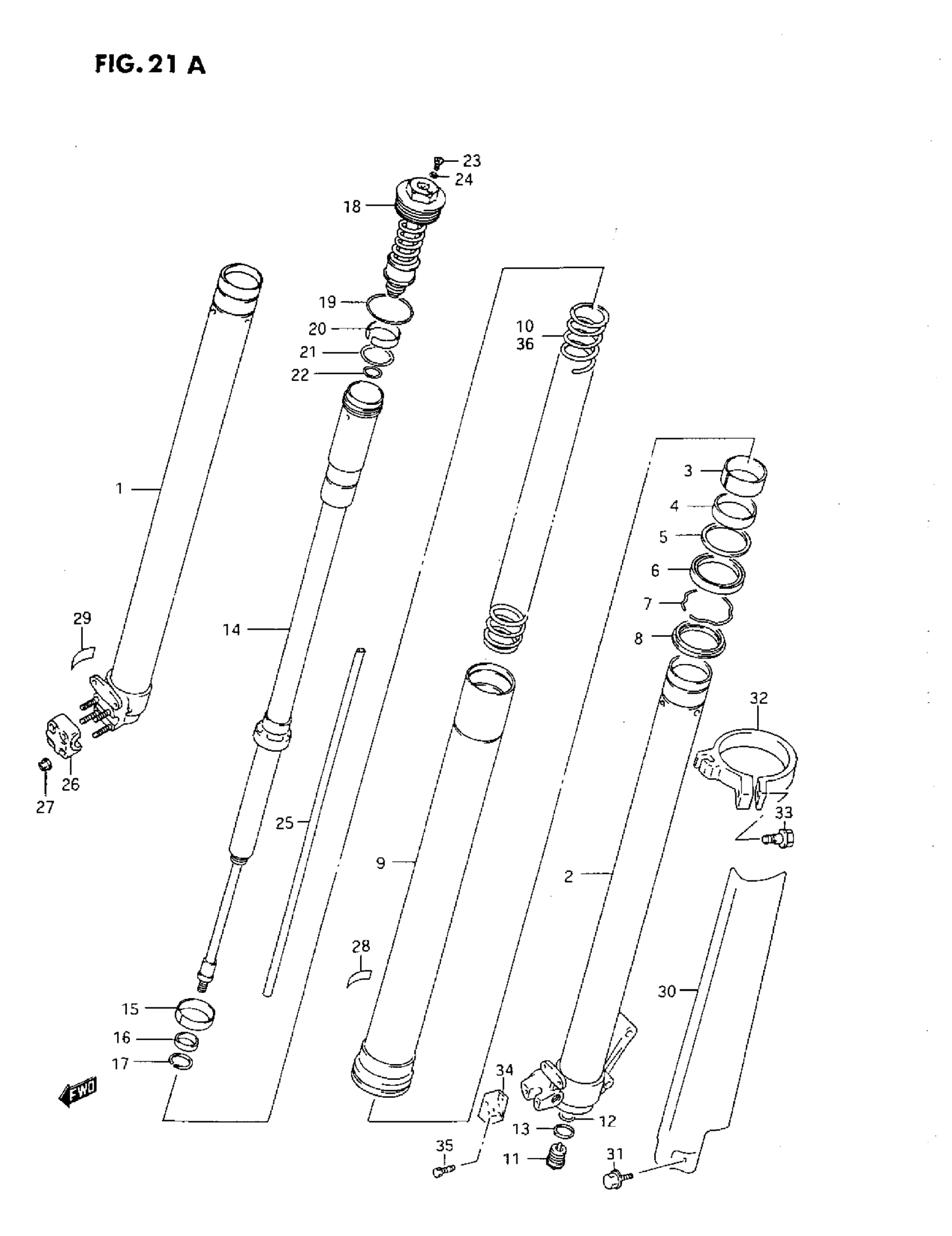
Suzuki RM250 (1993) FRONT DAMPER (R) Diagram
#
Description
Price
1
DAMPER ASSY, RH
51103-28E30
Unavailable
1
DAMPER ASSY, LH
51104-28E30
Unavailable
1
NO DESCRIPTION AVAILABLE This part replaces 51110-28E30.
51110-28E31
Unavailable
2
NO DESCRIPTION AVAILABLE This part replaces 51120-28E30.
51120-28E31
Unavailable
3
BUSH, SLIDE
51121-27C40
Unavailable
4
BUSH, GUIDE
51167-28E30
Unavailable
9
TUBE, OUTER
51130-28E30
Unavailable
10
SPRING, MAIN This part replaces 51171-28E30.
51171-28E40
Unavailable
11
BOLT, CENTER
51170-28E30
Unavailable
12
GASKET
51148-14D00
Unavailable
13
O-RING
51177-28E30
Unavailable
14
DAMPER, CARTRIDGE
51190-28E30
Unavailable
15
BUSH, DAMPER
51122-28E30
Unavailable
16
VALVE, OIL LOCK
51157-28E30
Unavailable
17
RING, VALVE STOPPER
51154-28E30
Unavailable
18
BOLT, FORK
51351-28E30
Unavailable
21
O-RING, CENTER
51174-28E30
Unavailable
25
ROD, PUSH
51191-28E30
Unavailable
26
HOLDER, AXLE RH
51132-27C40
Unavailable
28
LABEL
51145-28E30
Unavailable
29
LABEL
51149-28E30
Unavailable
30
PROTECTOR, LH
51511-29E00
Unavailable
32
GUIDE, PROTECTOR
51210-43D00
Unavailable
34
GUIDE, HOSE LH
59248-27C40
Unavailable
36
SPRING, MAIN | OPT
51171-28E40
Unavailable
