- Partiron
- OEM Parts
- Suzuki
- Motorcycle
- 1993
- RM250 (1993)
CUSHION LEVER
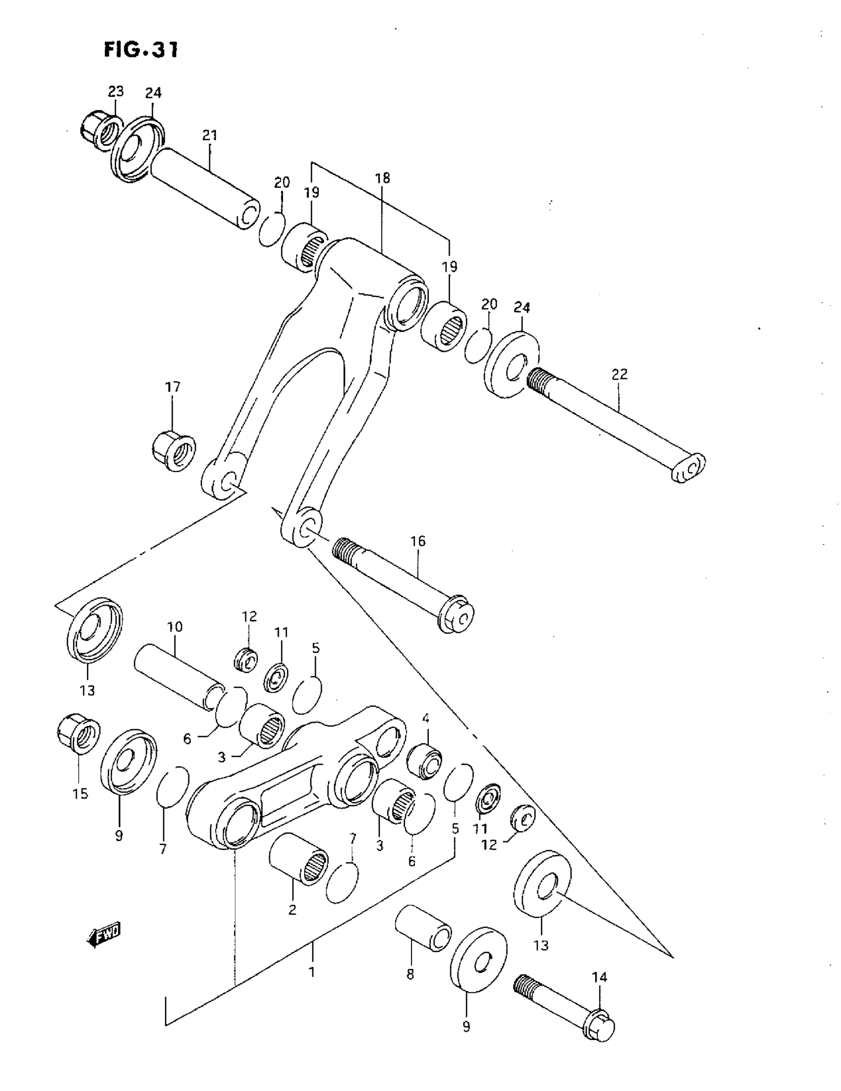
Suzuki RM250 (1993) CUSHION LEVER Diagram
#
Description
Price
1
LEVER SET, REAR CUSHION | MODEL P
62600-28850
Unavailable
1
LEVER SET, REAR CUSHION | MODEL R
62600-28810
Unavailable
4
BEARING, REAR
62175-43D00
Unavailable
10
SPACER, CENTER
62646-28E00
Unavailable
11
DUST SEAL, REAR
62226-43D00
Unavailable
13
SEAL, LEVER CENTER
62682-28E00
Unavailable
16
BOLT, CENTER (14X109) This part replaces 62621-28E00.
62621-28E01
Unavailable
18
ROD SET, CUSHION LEVER | MODEL P
62600-28860
Unavailable
18
ROD SET, CUSHION LEVER | MODEL R
62600-28820
Unavailable
21
SPACER, ROD
62645-28E00
Unavailable
22
BOLT, ROD
62622-28E00
Unavailable
24
SEAL, DUST ROD
62682-28E00
Unavailable
