- Partiron
- OEM Parts
- Suzuki
- Motorcycle
- 1993
- RM250 (1993)
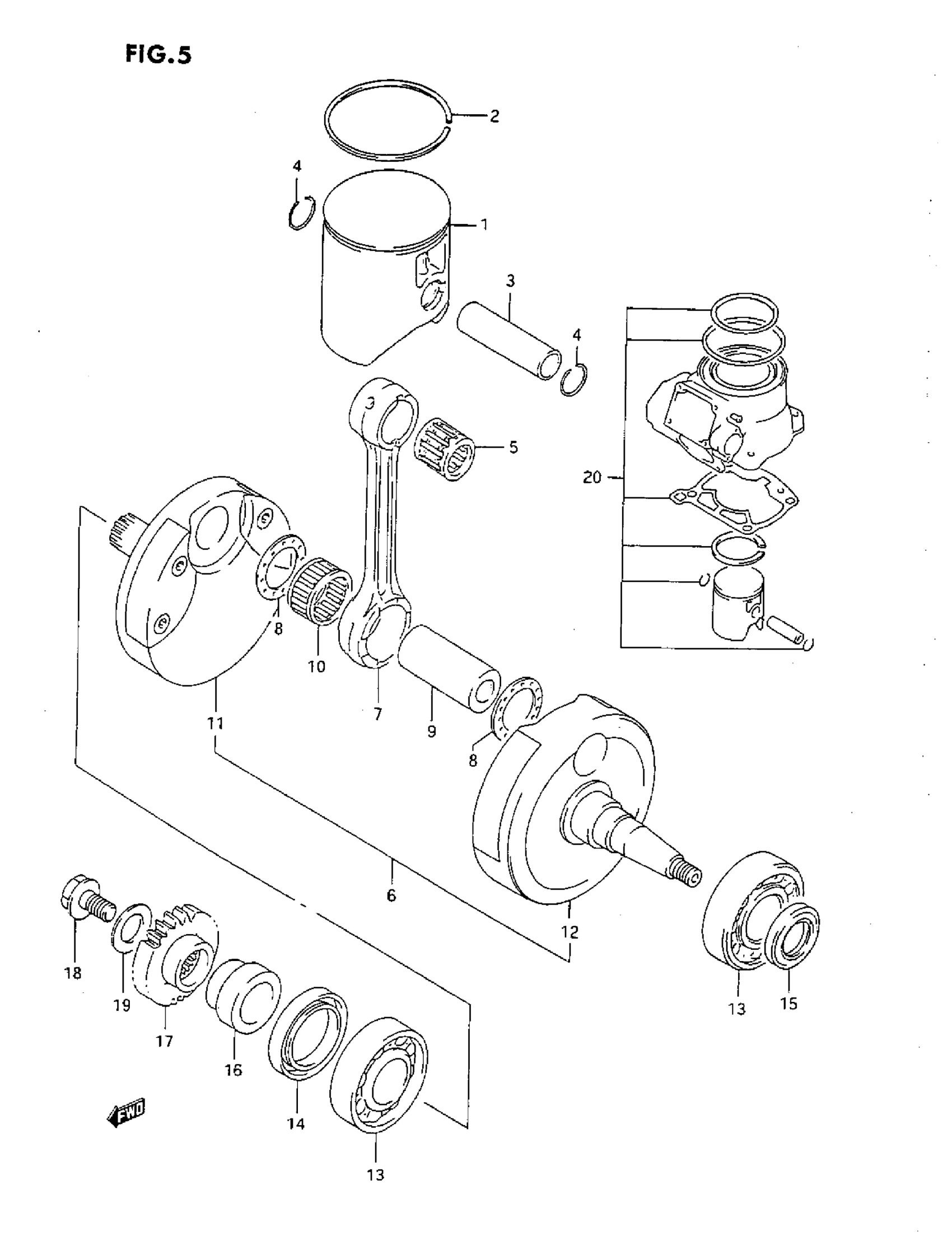
CRANKSHAFT (P)
Suzuki RM250 (1993) CRANKSHAFT (P) Diagram
#
Description
Price
1
PISTON This part replaces 12110-28E00-0F0.
12110-29E20-0F0
Unavailable
6
CRANKSHAFT ASSY
12200-28E00
Unavailable
7
ROD, CONNECTING
12161-28C30
Unavailable
11
CRANKSHAFT, RH
12220-28E00
Unavailable
12
CRANKSHAFT, LH
12260-28E00
Unavailable
13
BEARING
09262-25108
Unavailable
14
OIL SEAL, RH (36X52X7)
09283-36007
Unavailable
15
OIL SEAL, LH (20X37X6)
09283-20051
Unavailable
16
SPACER This part replaces 12359-28C20.
12359-00B20
Unavailable
17
GEAR, PRIMARY DRIVE (NT:23) This part replaces 21111-14320.
21111-14321
Unavailable
20
TOP END KIT, EN | OPT This part replaces 12101-28810.
12101-28812
Unavailable
