- Partiron
- OEM Parts
- Suzuki
- Motorcycle
- 1987
- RM250 (1987)
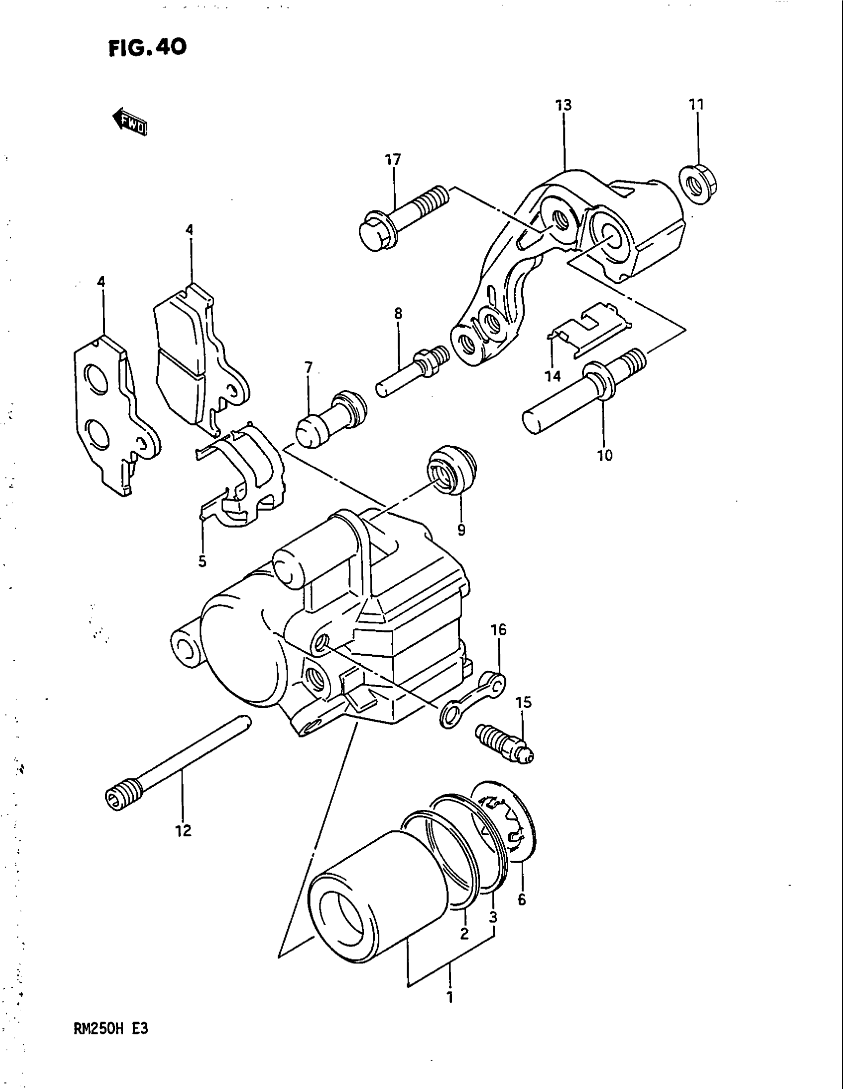
FRONT CALIPER (MODEL G)
Suzuki RM250 (1987) FRONT CALIPER (MODEL G) Diagram
#
Description
Price
NO DESCRIPTION AVAILABLE | Includes Item(s) 1 - 16 This part replaces 59300-14600.
59300-14510
Unavailable
1
PISTON SET
59300-14820
Unavailable
3
DUST SEAL
59108-14500
Unavailable
4
PAD SET This part replaces 59340-14600.
59300-14840
Unavailable
6
SHIM
59371-14500
Unavailable
11
NUT
59306-14500
Unavailable
13
BRACKET
59351-14600
Unavailable
14
RETAINER
59316-14600
Unavailable
