- Partiron
- OEM Parts
- Suzuki
- Motorcycle
- 1987
- RM250 (1987)
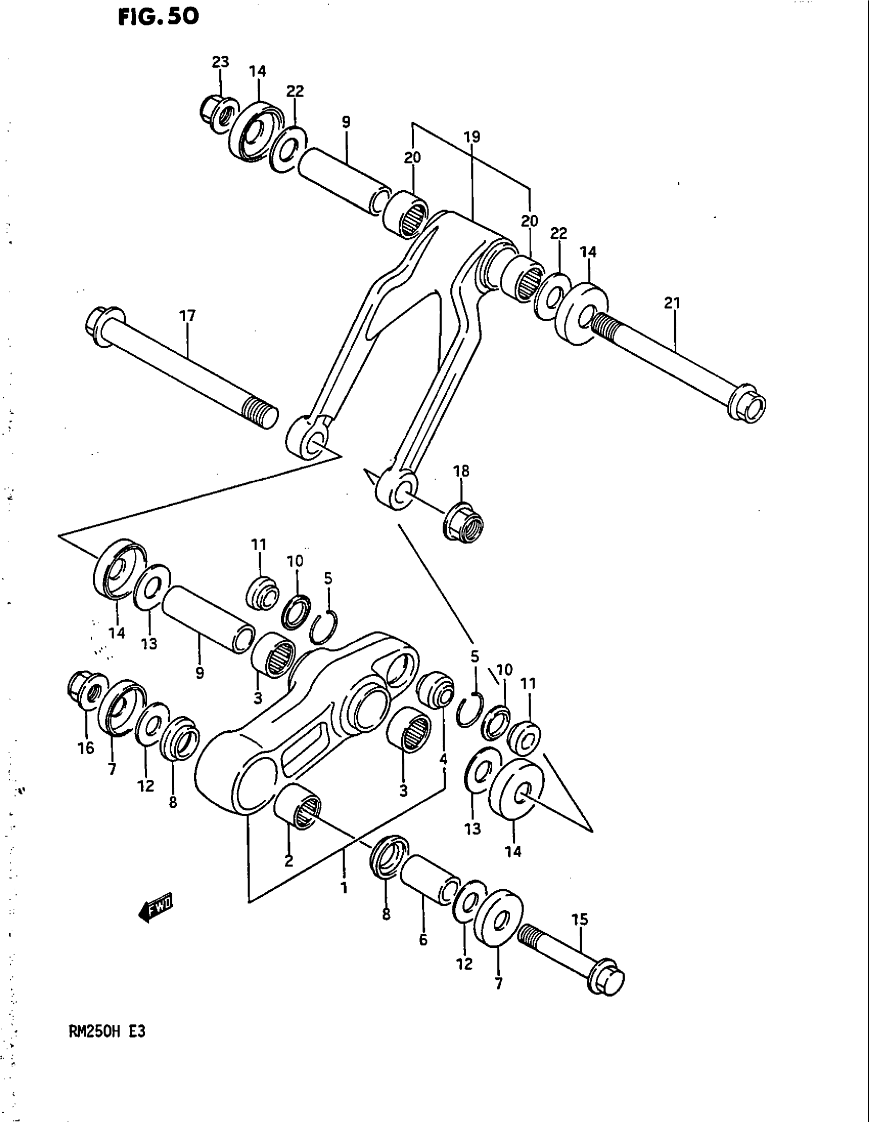
CUSHION LEVER (MODEL H)
Suzuki RM250 (1987) CUSHION LEVER (MODEL H) Diagram
#
Description
Price
1
LEVER SET, REAR CUSHION | Includes Item(s) 2 - 5
62600-01851
Unavailable
3
BEARING, CENTER
09263-20063
Unavailable
8
COLLAR, FRONT
62316-01B20
Unavailable
9
SPACER, CENTER This part replaces 62646-00B20.
62626-05D00
Unavailable
10
DUST SEAL, REAR
62226-14520
Unavailable
11
SPACER, REAR
62684-14520
Unavailable
14
SEAL This part replaces 62683-01B00.
62683-27C01
Unavailable
17
SHAFT
62621-01B00
Unavailable
19
ROD SET, CUSHION LEVER | Includes Item(s) 20
62600-01890
Unavailable
20
BEARING
09263-20063
Unavailable
21
BOLT
62622-00B20
Unavailable
