- Partiron
- OEM Parts
- Suzuki
- Motorcycle
- 1981
- RM250 (1981)
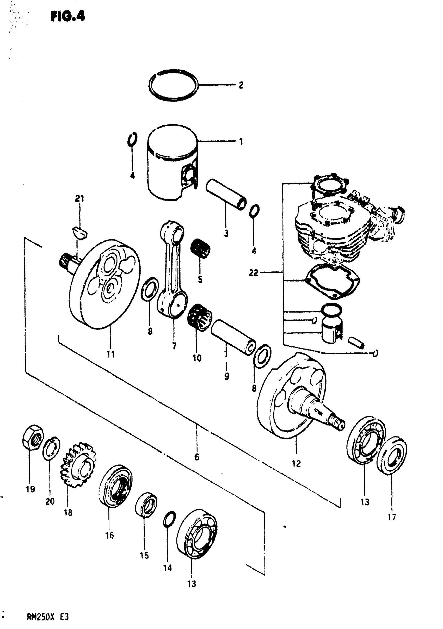
CRANKSHAFT
Suzuki RM250 (1981) CRANKSHAFT Diagram
#
Description
Price
1
PISTON (STD)
12110-40312
Unavailable
1
PISTON (OS:0.25)
12110-40312-025
Unavailable
1
PISTON (OS:0.50)
12110-40312-050
Unavailable
2
RING, PISTON (OS:0.25)
12141-41600-025
Unavailable
5
BEARING
09263-18014
Unavailable
6
CRANKSHAFT ASSY | Includes Item(s) 7 - 12
12200-14202
Unavailable
7
ROD, CONNECTING
12161-14200
Unavailable
8
WASHER
09160-24015
Unavailable
11
CRANKSHAFT, RH
12221-14202
Unavailable
12
CRANKSHAFT, LH
12261-14202
Unavailable
13
BEARING, LH This part replaces 09262-30058.
09262-30066
Unavailable
15
SPACER
12359-14201
Unavailable
16
OIL SEAL, RH
09289-36003
Unavailable
18
GEAR, PRIMARY DRIVE (NT:22)
21111-40302
Unavailable
19
NUT
09140-14017
Unavailable
20
WASHER
09166-14010
Unavailable
22
ENGINE TOP END KIT | STD
12100-14830
Unavailable
22
ENGINE TOP END KIT | OS:0.25
12100-14830-025
Unavailable
