- Partiron
- OEM Parts
- Suzuki
- Motorcycle
- 1980
- RM250 (1980)
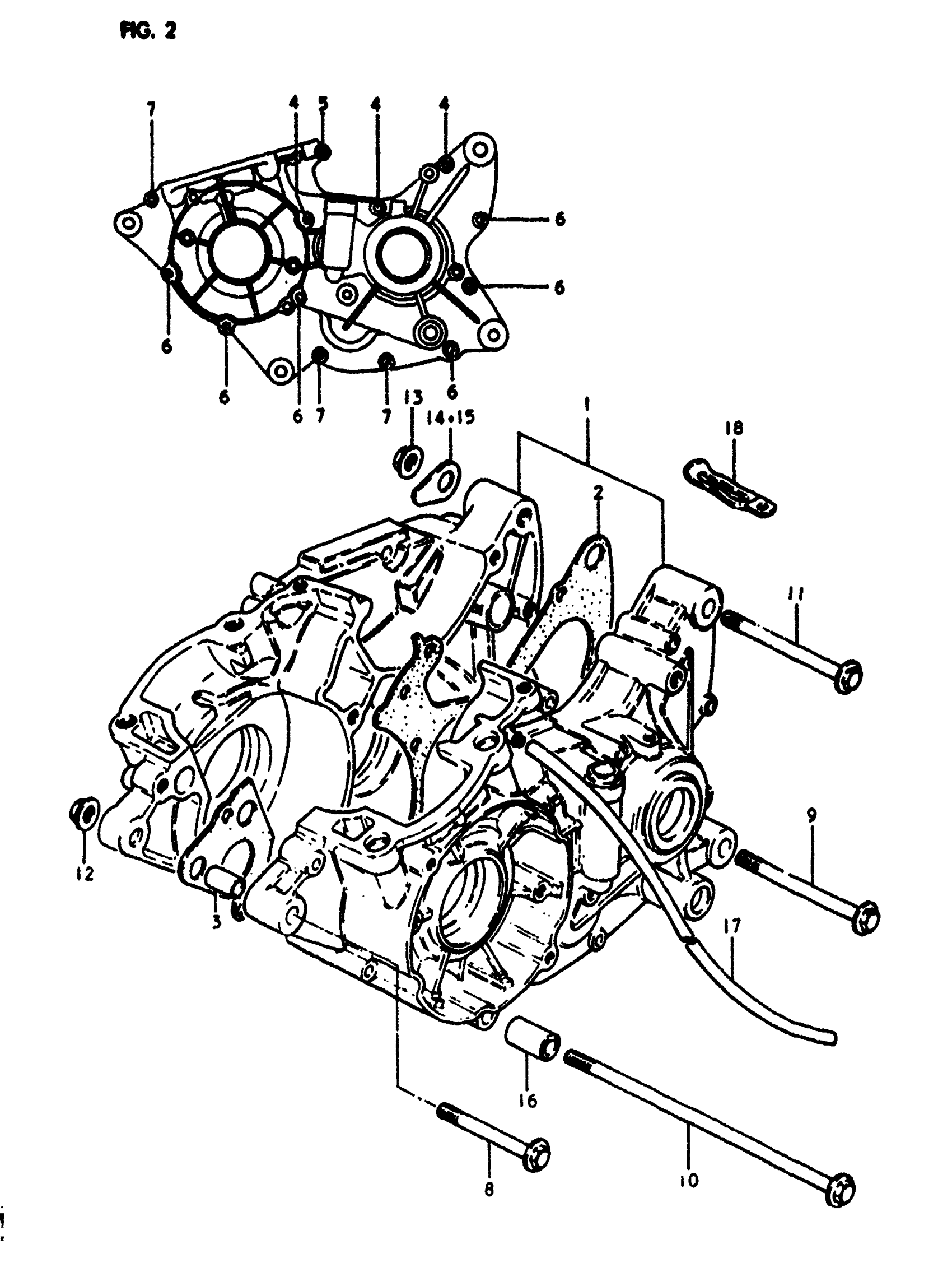
CRANKCASE
Suzuki RM250 (1980) CRANKCASE Diagram
#
Description
Price
1
NO DESCRIPTION AVAILABLE | Includes Item(s) 2 - 7 This part replaces 11300-40830.
11300-40831
Unavailable
2
GASKET,CRANKCAS This part replaces 11481-40300.
11481-40300-H17
Unavailable
10
BOLT 8X195 This part replaces 09103-08036.
09103-08187
Unavailable
14
WASHER | 0~2)
09169-10011
Unavailable
15
WASHER | 0~2)
09169-10012
Unavailable
