- Partiron
- OEM Parts
- Suzuki
- Motorcycle
- 1979
- RM250 (1979)
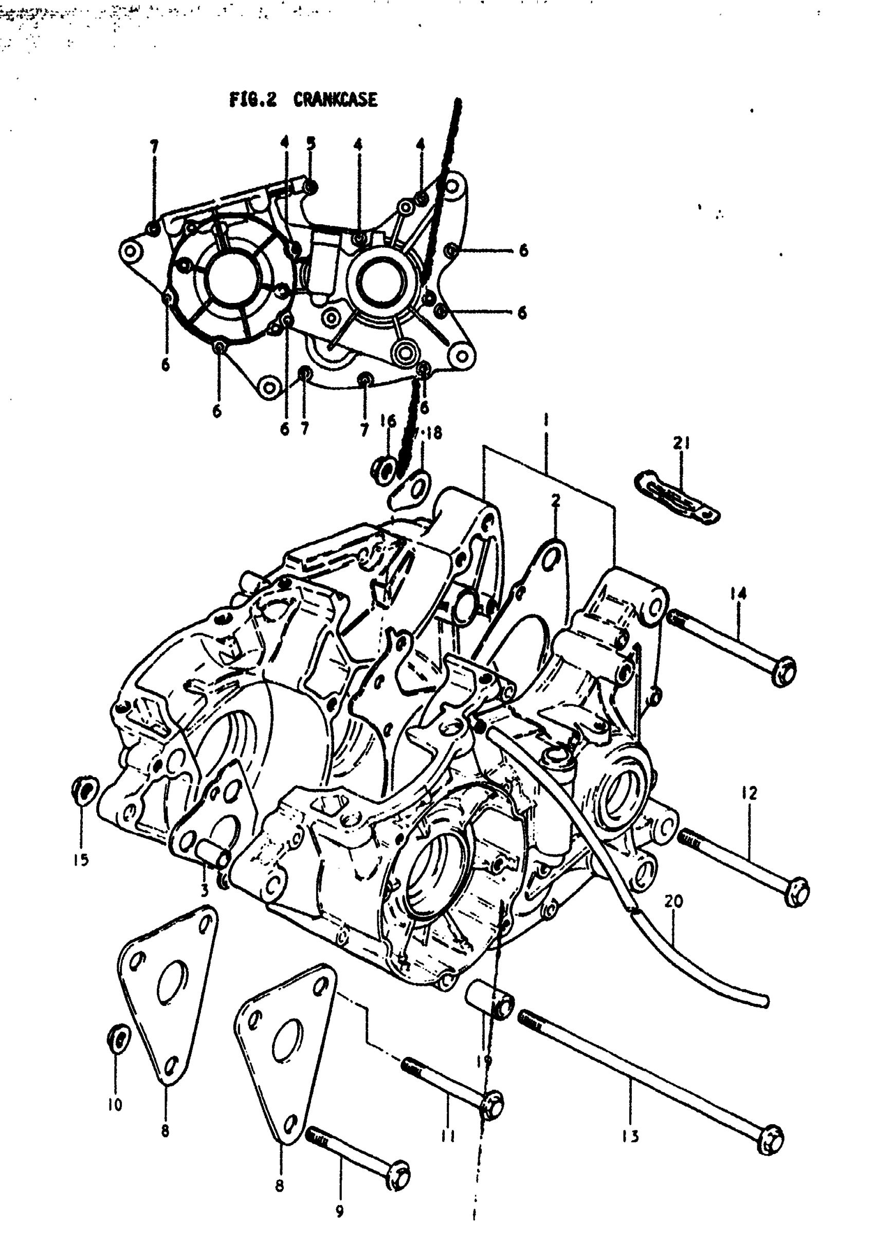
CRANKCASE
Suzuki RM250 (1979) CRANKCASE Diagram
#
Description
Price
1
NO DESCRIPTION AVAILABLE | Includes Item(s) 2 - 7 This part replaces 11300-40830.
11300-40831
Unavailable
2
GASKET,CRANKCAS This part replaces 11481-40300.
11481-40300-H17
Unavailable
8
PLATE, ENGINE MOUNTING
41991-40300
Unavailable
13
BOLT 8X195 | 8x195 This part replaces 09103-08036.
09103-08187
Unavailable
17
WASHER
09169-10011
Unavailable
18
WASHER
09169-10012
Unavailable
