- Partiron
- OEM Parts
- Suzuki
- Motorcycle
- 1979
- RM250 (1979)
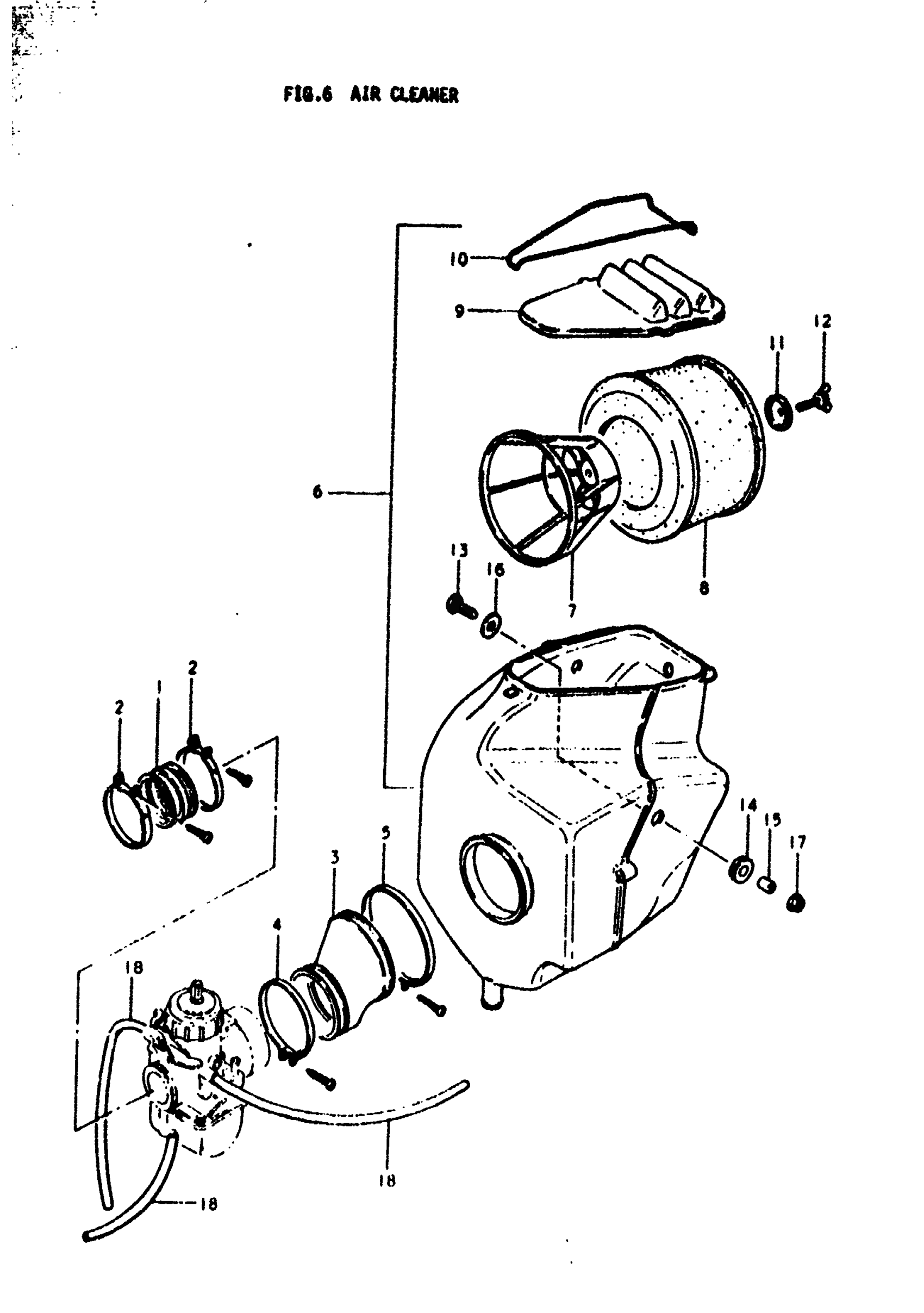
AIR CLEANER
Suzuki RM250 (1979) AIR CLEANER Diagram
#
Description
Price
1
PIPE, INTAKS This part replaces 13111-40400.
13111-40401
Unavailable
3
HOSE, AIR INLET
13881-40400
Unavailable
5
CLAMP
09402-86306
Unavailable
6
CLEANER ASSY, AIR | Includes Item(s) 7 - 13
13700-40400
Unavailable
7
HOLDER, TILTER
13791-40400
Unavailable
8
FILTER
13781-40400
Unavailable
9
CAP
13741-40400
Unavailable
10
O RING
13751-40400
Unavailable
