- Partiron
- OEM Parts
- Suzuki
- Motorcycle
- 1995
- RM125S (1995)
HANDLE SWITCH (MODEL S)
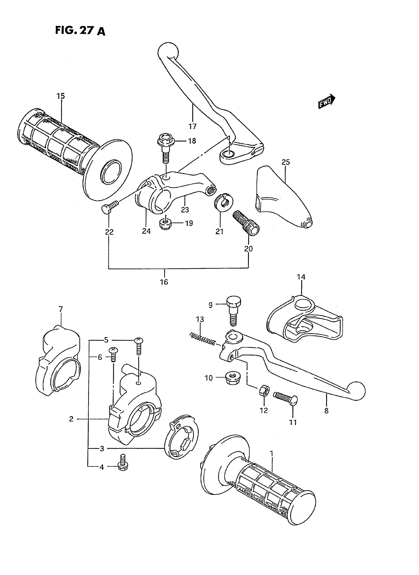
Suzuki RM125S (1995) HANDLE SWITCH (MODEL S) Diagram
#
Description
Price
1
GRIP, THROTTLE
57110-28E00
Unavailable
23
HOLDER, LEVER
57511-28C00
Unavailable
