- Partiron
- OEM Parts
- Suzuki
- Motorcycle
- 2006
- RM125 (2006)
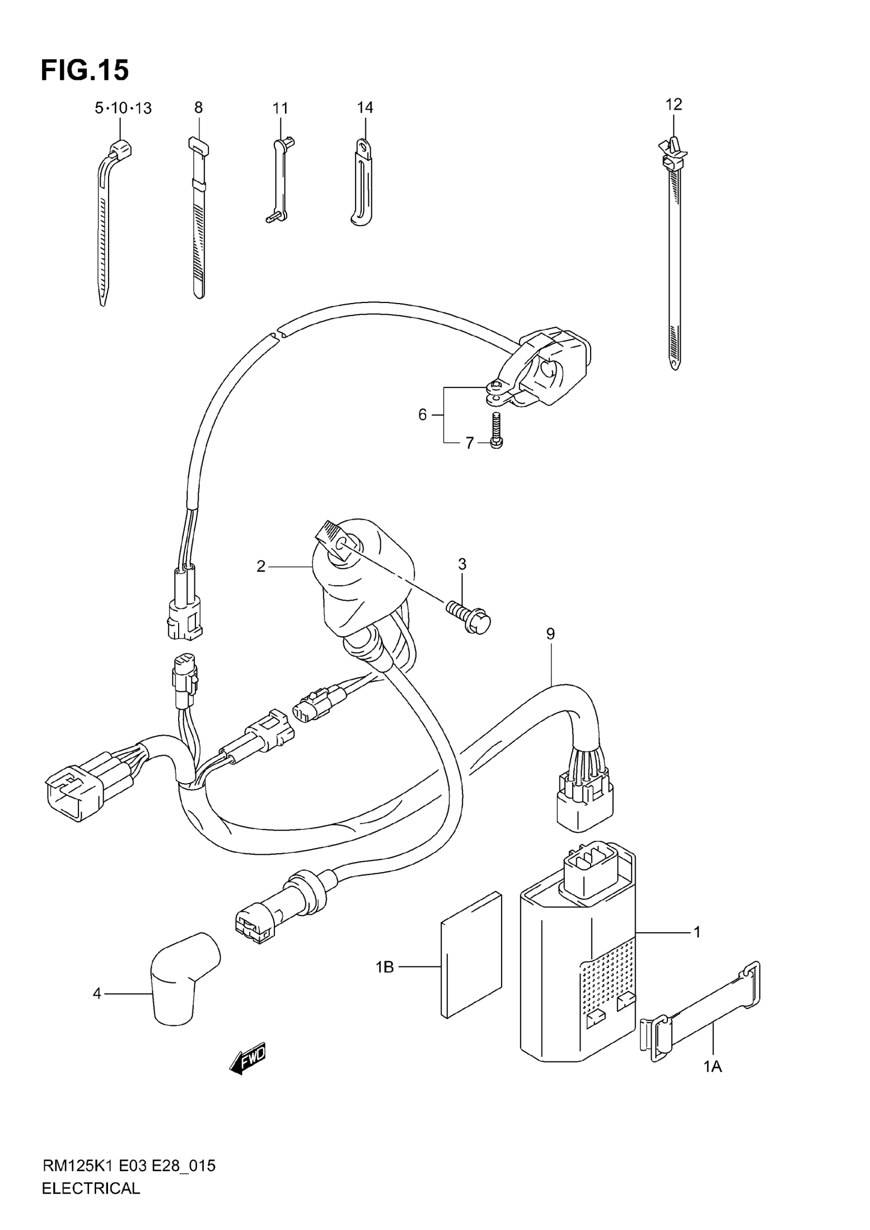
ELECTRICAL (MODEL K1/K2/K3)
Suzuki RM125 (2006) ELECTRICAL (MODEL K1/K2/K3) Diagram
#
Description
Price
1
CDI UNIT
32900-36F10
Unavailable
9
HARNESS, WIRING | MODEL K1
36610-36F00
Unavailable
9
HARNESS, WIRING | MODEL K2/K3
36610-36F10
Unavailable
