- Partiron
- OEM Parts
- Suzuki
- Motorcycle
- 1988
- RM125 (1988)
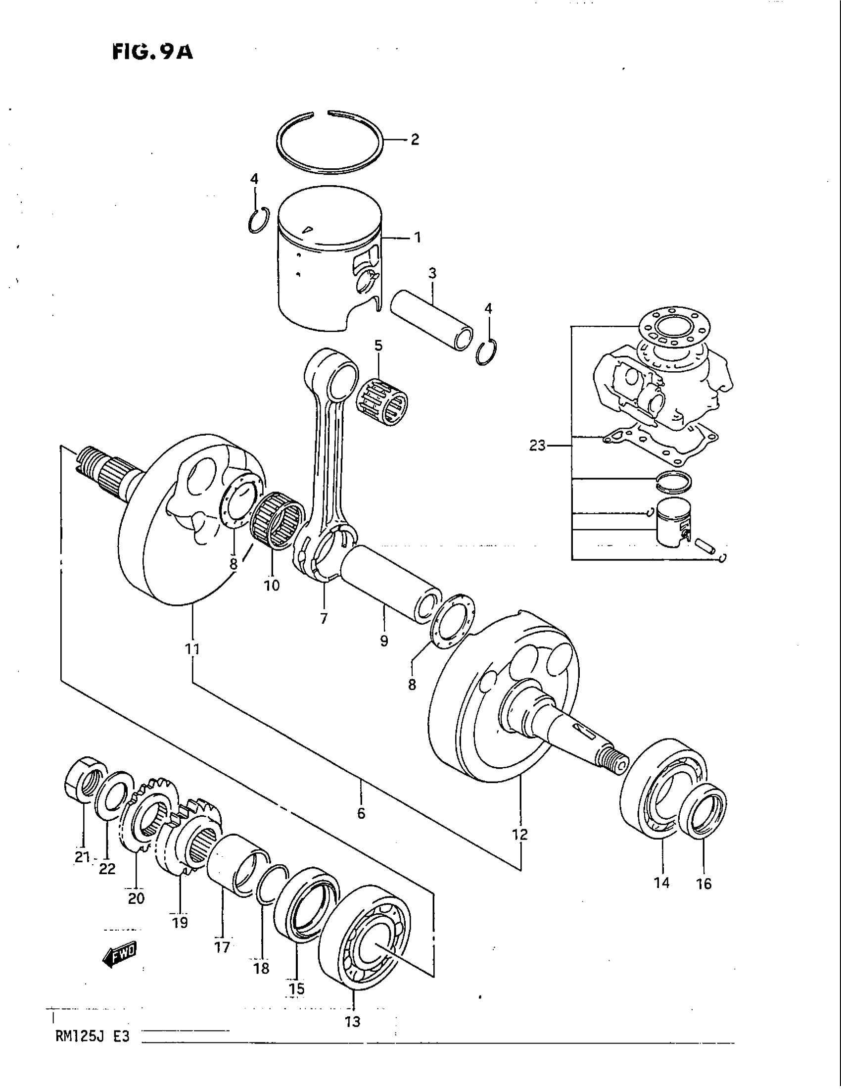
CRANKSHAFT (MODEL J)
Suzuki RM125 (1988) CRANKSHAFT (MODEL J) Diagram
#
Description
Price
1
PISTON
12110-01B41-0F0
Unavailable
1
PISTON SET,OS0. | OPT This part replaces 12110-01B41-025.
12103-01830-025
Unavailable
1
NO DESCRIPTION AVAILABLE | OPT This part replaces 12110-01B41-050.
12103-01830-050
Unavailable
2
NO DESCRIPTION AVAILABLE This part replaces 12141-01B10.
12141-01B11
Unavailable
2
NO DESCRIPTION AVAILABLE | OPT This part replaces 12141-01B10-025.
12141-01B11-025
Unavailable
2
NO DESCRIPTION AVAILABLE | OPT This part replaces 12141-01B10-050.
12141-01B11-050
Unavailable
6
NO DESCRIPTION AVAILABLE | Includes Item(s) 7 - 12 This part replaces 12200-01B40.
12200-01B41
Unavailable
7
ROD, CONNECTING This part replaces 12161-01B41.
12161-43D00
Unavailable
10
BEARING
09263-22049-0B0
Unavailable
11
CRANKSHAFT, RH
12221-01B41
Unavailable
12
CRANKSHAFT, LH
12261-01B20
Unavailable
15
OIL SEAL, RH
09289-28007
Unavailable
17
SPACER
12359-14500
Unavailable
19
GEAR, PRIMARY DRIVE (NT:17) This part replaces 21111-01B40.
21111-01B41
Unavailable
20
GEAR, GOVERNOR DRIVE (NT:19)
12674-01B40
Unavailable
23
ENGINE TOP END KIT (STD) | OPT
12100-01850
Unavailable
23
ENGINE TOP END KIT (OS:0.25) | OPT
12100-01850-025
Unavailable
