- Partiron
- OEM Parts
- Suzuki
- Motorcycle
- 1988
- RM125 (1988)
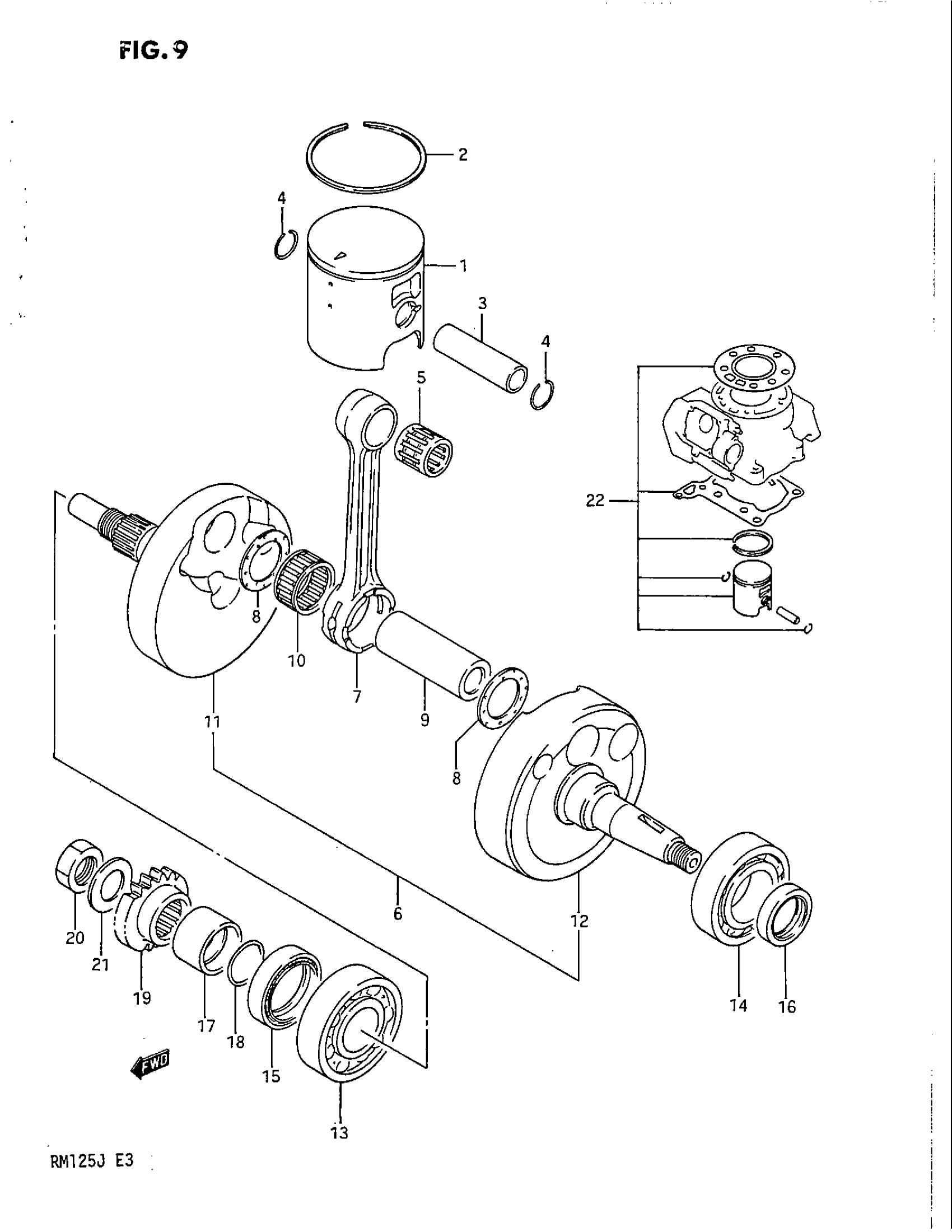
CRANKSHAFT (MODEL H)
Suzuki RM125 (1988) CRANKSHAFT (MODEL H) Diagram
#
Description
Price
1
NO DESCRIPTION AVAILABLE This part replaces 12110-01B36-0F0.
12110-01B38-0F0
Unavailable
1
PISTON SET, OS: | OPT This part replaces 12110-01B36-025.
12103-01820-025
Unavailable
1
PISTON KIT 0.5 | OPT This part replaces 12110-01B36-050.
12103-01820-050
Unavailable
2
NO DESCRIPTION AVAILABLE This part replaces 12141-01B10.
12141-01B11
Unavailable
2
NO DESCRIPTION AVAILABLE | OPT This part replaces 12141-01B10-025.
12141-01B11-025
Unavailable
2
NO DESCRIPTION AVAILABLE | OPT This part replaces 12141-01B10-050.
12141-01B11-050
Unavailable
3
PIN, PISTON
12151-01B00
Unavailable
5
BEARING, PISTON PIN
09263-14024
Unavailable
6
NO DESCRIPTION AVAILABLE | Includes Item(s) 7 - 12 This part replaces 12200-01B21.
12200-01B22
Unavailable
7
ROD, CONNECTING This part replaces 12161-01B21.
12161-12B01
Unavailable
11
CRANKSHAFT, RH
12221-01B20
Unavailable
12
CRANKSHAFT, LH
12261-01B20
Unavailable
15
OIL SEAL, RH
09289-28007
Unavailable
17
SPACER
12359-14500
Unavailable
19
GEAR, PRIMARY DRIVE (NT:19)
21111-40202
Unavailable
22
NO DESCRIPTION AVAILABLE | OPT This part replaces 12100-01830.
12100-01832
Unavailable
22
NO DESCRIPTION AVAILABLE | OPT This part replaces 12100-01830-025.
12100-01832-025
Unavailable
