- Partiron
- OEM Parts
- Suzuki
- Motorcycle
- 1988
- RM125 (1988)
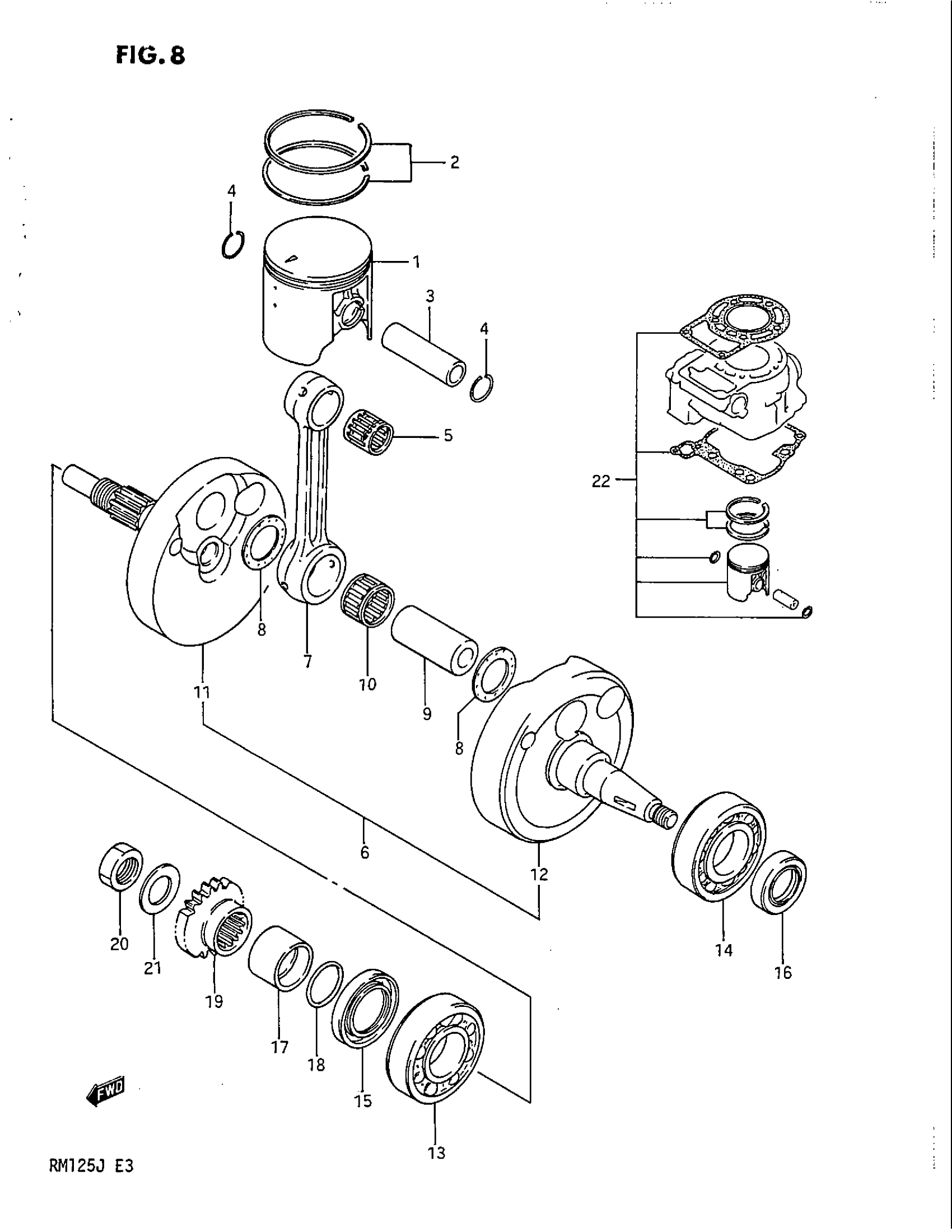
CRANKSHAFT (MODEL G)
Suzuki RM125 (1988) CRANKSHAFT (MODEL G) Diagram
#
Description
Price
1
PISTON
12110-14513
Unavailable
1
NO DESCRIPTION AVAILABLE | OPT This part replaces 12110-14513-025.
12103-14850-025
Unavailable
1
NO DESCRIPTION AVAILABLE | OPT This part replaces 12110-14513-050.
12103-14850-050
Unavailable
2
RING SET, PISTON
12140-14110
Unavailable
2
RING SET, PISTON (OS:0.25) | OPT
12140-14110-025
Unavailable
2
RING SET, PISTON (OS:0.5) | OPT
12140-14110-050
Unavailable
3
PIN, PISTON
12151-01B00
Unavailable
5
BEARING, PISTON PIN This part replaces 09263-14012.
09263-14024
Unavailable
6
CRANKSHAFT ASSY | Includes Item(s) 7 - 12
12200-01B01
Unavailable
7
ROD, CONNECTING
12161-01B00
Unavailable
11
CRANKSHAFT, RH
12221-01B02
Unavailable
12
CRANKSHAFT ASSY This part replaces 12261-01B01.
12200-01B01
Unavailable
15
OIL SEAL, RH
09289-28007
Unavailable
17
SPACER
12359-14500
Unavailable
19
GEAR, PRIMARY DRIVE (NT:19)
21111-40202
Unavailable
22
ENGINE TOP END KIT (STD) | OPT
12100-01810
Unavailable
22
ENGINE TOP END KIT (OS:0.25) | OPT
12100-01810-025
Unavailable
