- Partiron
- OEM Parts
- Suzuki
- Motorcycle
- 1982
- RM125 (1982)
WATER PUMP (MODEL Z)
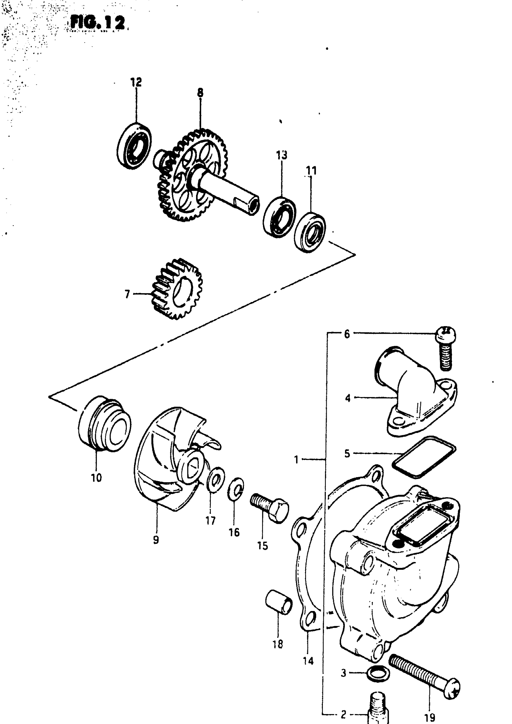
Suzuki RM125 (1982) WATER PUMP (MODEL Z) Diagram
#
Description
Price
1
CASE, WATER PUMP | Includes Item(s) 2 - 6 This part replaces 17410-14110.
17410-14120
Unavailable
4
CONNECTOR This part replaces 17412-14300.
17412-28E00
Unavailable
7
GEAR, DRIVE (NT:19)
17451-14300
Unavailable
8
SHAFT (NT:36)
17461-14300
Unavailable
14
GASKET,WATER PU This part replaces 17431-14110.
17431-14111-H17
Unavailable
