- Partiron
- OEM Parts
- Suzuki
- Motorcycle
- 1978
- RM125 (1978)
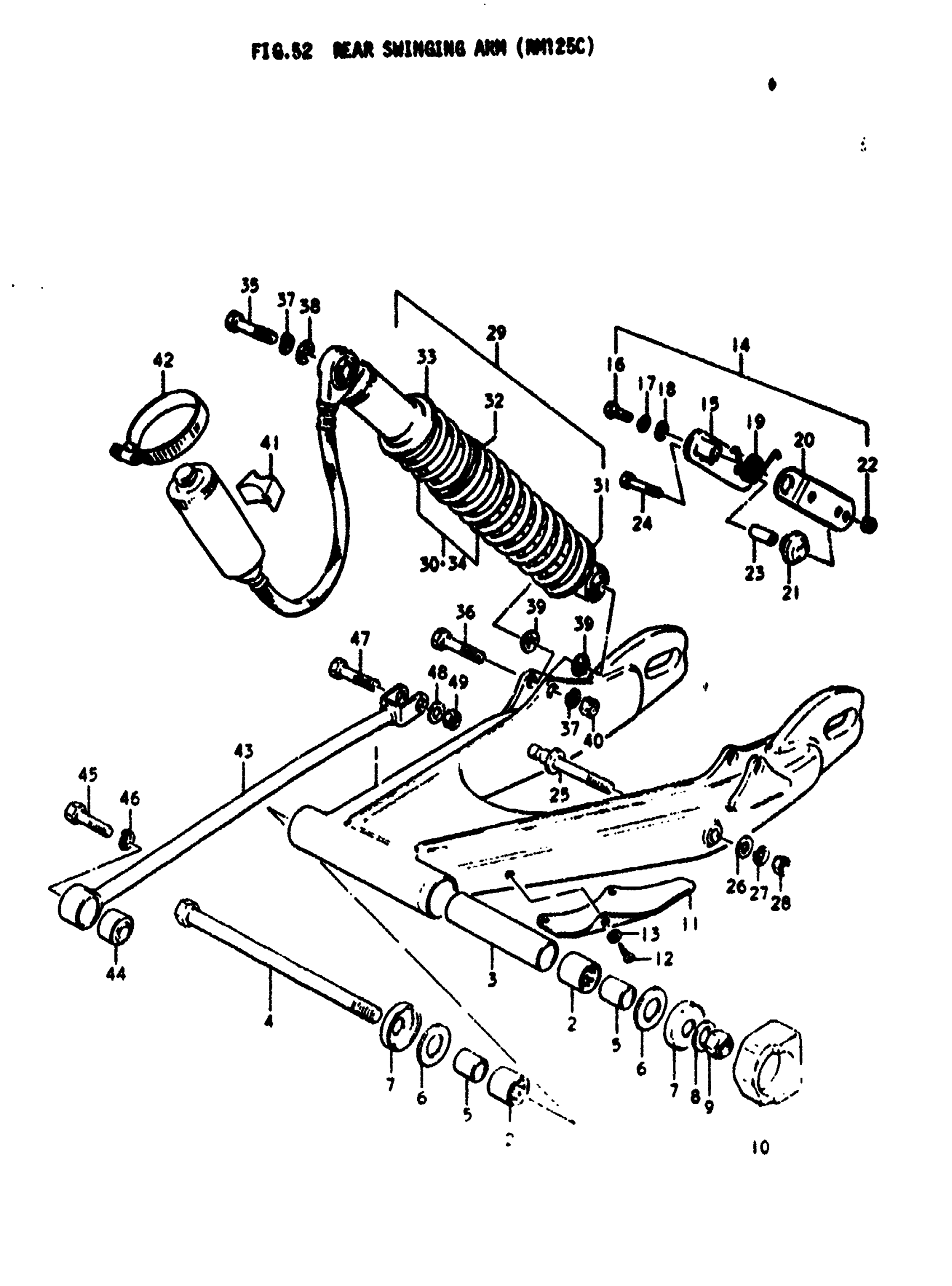
REAR SWINGING ARM (RM125C)
Suzuki RM125 (1978) REAR SWINGING ARM (RM125C) Diagram
#
Description
Price
1
NO DESCRIPTION AVAILABLE | Includes Item(s) 2 - 3 This part replaces 61100-41891.
61100-41892
Unavailable
3
SPACER, CENTER
61282-41300
Unavailable
4
SHAFT, PIVOT
61211-41301
Unavailable
5
SPACER
61251-41300
Unavailable
7
NO DESCRIPTION AVAILABLE This part replaces 61262-41300.
61262-41301
Unavailable
10
BUFFER,CHAIN TO This part replaces 61273-41310.
61273-41311
Unavailable
11
BUFFER, CHAIN DEFENSE NO.2
61273-41700
Unavailable
14
NO DESCRIPTION AVAILABLE | Includes Item(s) 15 - 24 This part replaces 61300-41810.
61300-41811
Unavailable
15
CHAIN TENSIONER This part replaces 61350-41300.
61350-41301
Unavailable
19
SPRING
09448-25003
Unavailable
20
TENSIONER OUT P This part replaces 61352-41300.
61352-41301
Unavailable
25
NO DESCRIPTION AVAILABLE This part replaces 61361-41700.
61361-41701
Unavailable
29
SHOCK ABSORBER ASSY, REAR | Includes Item(s) 30 - 33
62100-41313
Unavailable
30
SPRING
62210-41313
Unavailable
31
GUIDE, SPRING
62225-40600
Unavailable
32
GUIDE, SPRING CENTER
62221-41650
Unavailable
33
SEAT, SPRING
62191-41650
Unavailable
34
SPRING (STIFFER) | OPT
62210-41320
Unavailable
34
SPRING (HEAVY STIFFER) | OPT
62210-41330
Unavailable
36
BOLT | 10x48
09100-10006
Unavailable
41
CUSHION
62331-41630
Unavailable
42
CLAMP
62332-41631
Unavailable
43
TORQUE LINK, REAR
64310-41300
Unavailable
