- Partiron
- OEM Parts
- Suzuki
- Motorcycle
- 1978
- RM100 (1978)
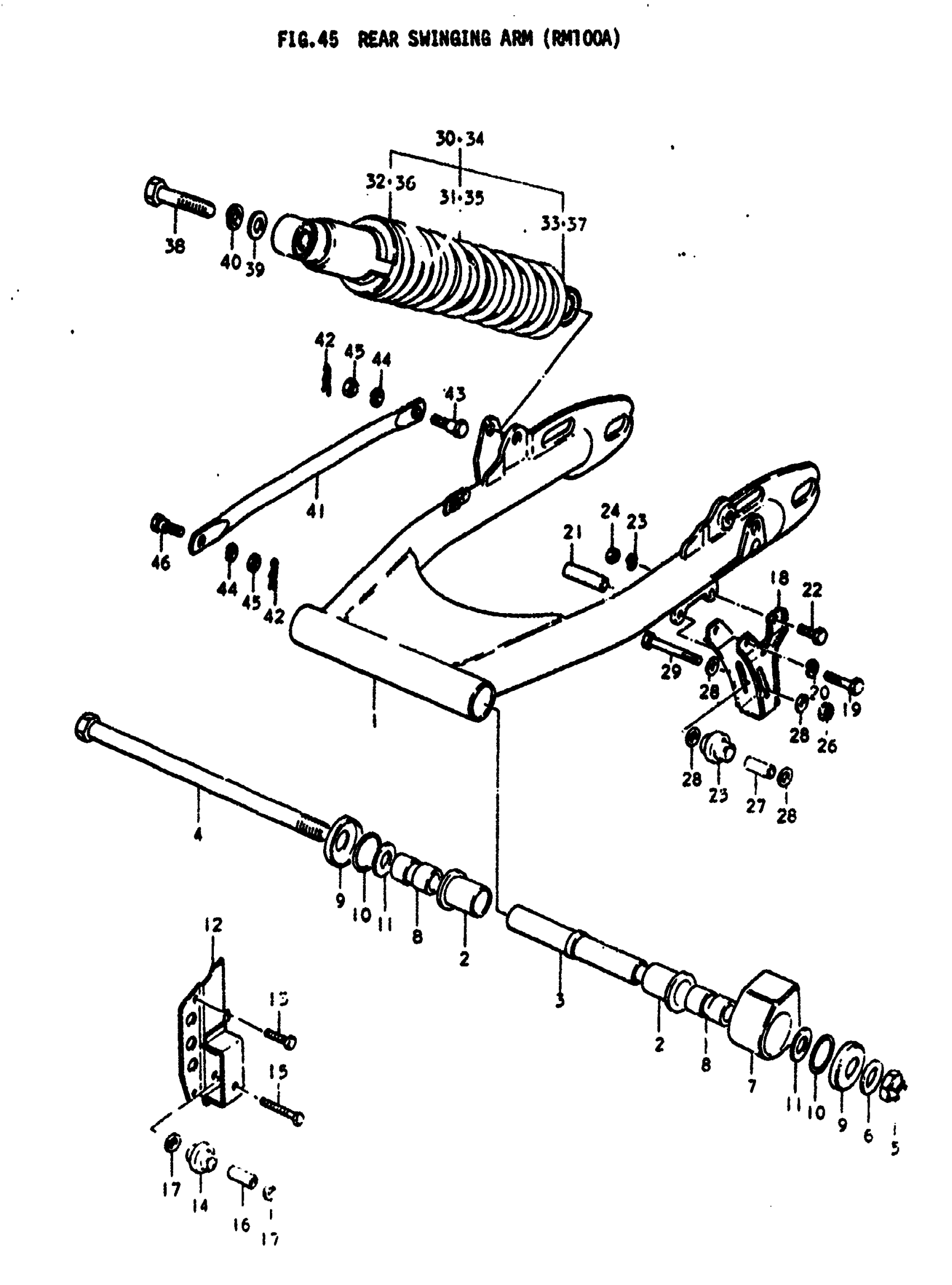
REAR SWINGING ARM (RM100A)
Suzuki RM100 (1978) REAR SWINGING ARM (RM100A) Diagram
#
Description
Price
1
REAR SWINGING ARM SET | Includes Item(s) 2 - 3 This part replaces 61100-41812-019.
61100-41813-019
Unavailable
3
SPACER
61280-28000
Unavailable
4
SHAFT, PIVOT | ~F.NO.12254 This part replaces 61211-28001.
61211-28002
Unavailable
4
SHAFT, PIVOT | F.NO.12255~
61211-28002
Unavailable
12
GUIDE, CHAIN
27640-41000
Unavailable
18
GUIDE, CHAIN
61340-40600
Unavailable
21
SPACER | 6.5x10.5x34
09180-06056
Unavailable
26
NUT
09159-06018
Unavailable
30
SHOCK ABSORBER ASSY, REAR | KAYABA; Includes Item(s) 31 - 37
62100-41600
Unavailable
31
SPRING
62211-41600
Unavailable
32
SEAT, UPPER
62191-32112
Unavailable
33
SEAT, LOWER
62225-41010
Unavailable
34
SHOCK ABSORBER ASSY, REAR | SHOWA
62100-41610
Unavailable
35
SPRING
62211-41610
Unavailable
36
SEAT, UPPER
62249-41610
Unavailable
37
SEAT, LOWER
62225-41610
Unavailable
38
BOLT
01121-10408
Unavailable
