- Partiron
- OEM Parts
- Suzuki
- Motorcycle
- 1978
- RM100 (1978)
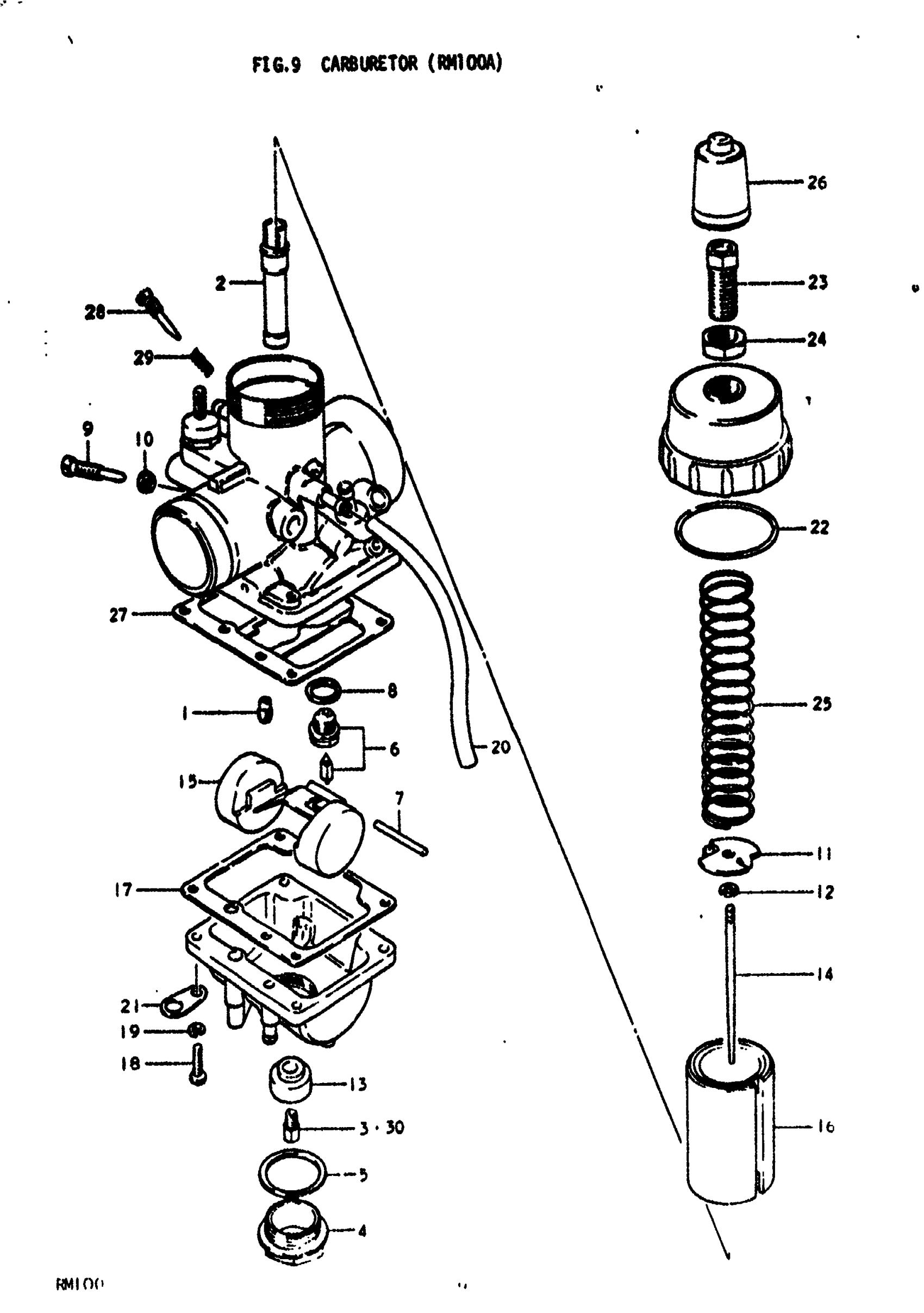
CARBURETOR (RM100A)
Suzuki RM100 (1978) CARBURETOR (RM100A) Diagram
#
Description
Price
0
CARBURETOR ASSY | Includes Item(s) 1 - 29
13200-41600
Unavailable
1
JET, PILOT | #35
09492-35004
Unavailable
2
JET, NEEDLE | 0-8
09494-00169
Unavailable
3
JET, MAIN | #160
09491-32002
Unavailable
4
PLUG, DRAIN
13247-28310
Unavailable
5
GASKET, DRAIN PLUG
13249-28310
Unavailable
6
VALVE ASSY, NEEDLE
13370-29700
Unavailable
8
GASKET, NEEDLE VALVE | T:1.0
13392-28310
Unavailable
8
GASKET, NEEDLE VALVE | T:0.5
13662-16510
Unavailable
10
NUT
13662-16510
Unavailable
13
RING
13331-28710
Unavailable
14
NEEDLE, JET | 5DP7-4
13383-28700
Unavailable
15
FLOAT
13252-28310
Unavailable
16
VALVE, THROTTLE | CA:2.5
13551-34011
Unavailable
17
GASKET, FLOAAT CHAMBER
13251-28700
Unavailable
22
ORING
13295-34600
Unavailable
23
ADJUSTER, CABLE
13577-31010
Unavailable
24
NUT
13661-31010
Unavailable
25
SPRING, THROTTLE VALVE
13573-28310
Unavailable
26
CAP, CARBURETOR TOP
13681-31010
Unavailable
27
PLATE
13259-28310
Unavailable
28
SCREW, PILOT AIR
13269-15010
Unavailable
30
JET,MAIN,150 | #150 This part replaces 09491-30003.
09491-30017
Unavailable
30
JET, MAIN | #170
09491-34002
Unavailable
30
JET, MAIN | #175
09491-35003
Unavailable
30
JET, MAIN (180) | #180 This part replaces 09491-36003.
09491-36006
Unavailable
