Partiron

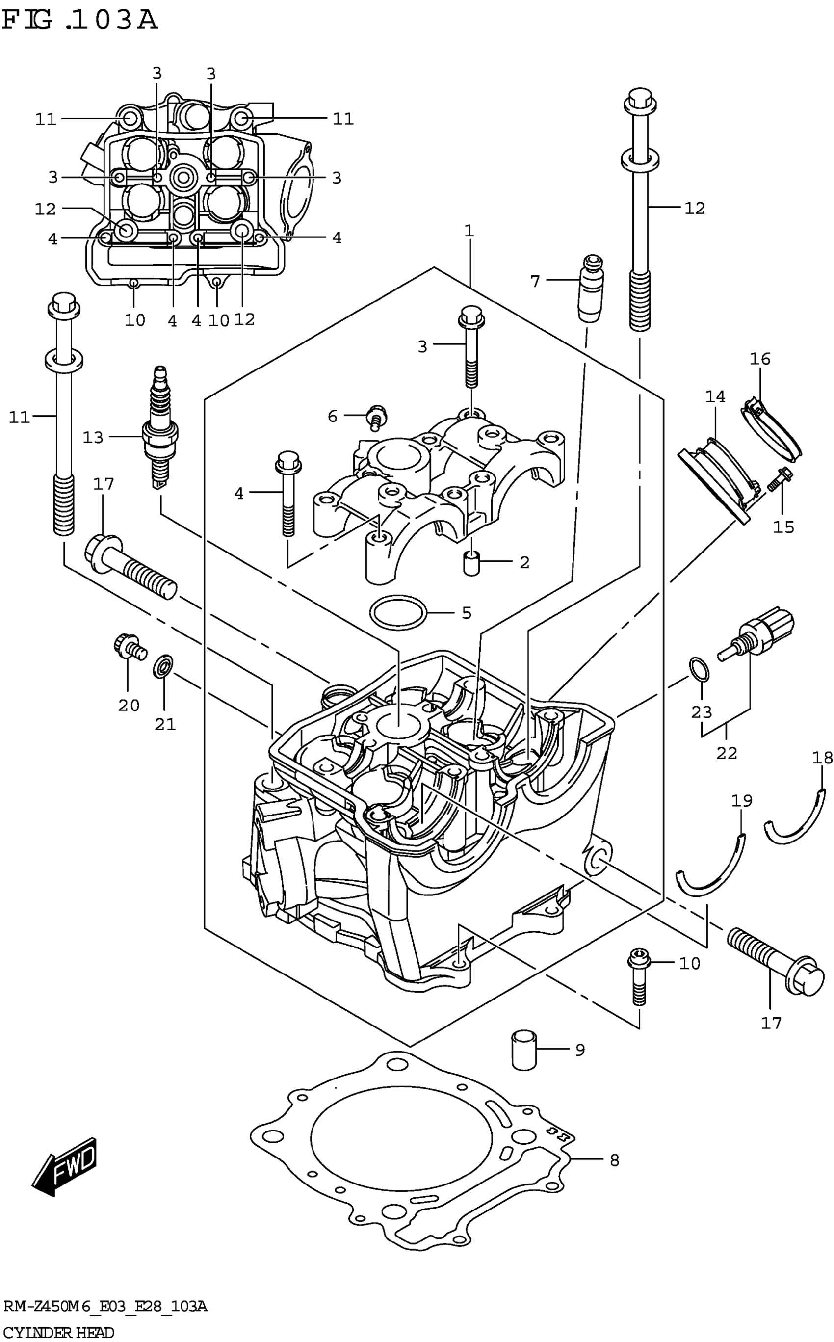
Suzuki RM-Z450M6 (2026) CYLINDER HEAD Diagram

#

Description
Price

1

HEAD ASSY,CYLINDER

11100-37K00

$801.55

2

.PIN (8X11)

09206-08001

$1.78

3

.BOLT (6X40)

09103-06266

$2.12

4

.BOLT (6X45)

09103-06293

$2.53

5

.O-RING (ID:25.7,DD:2.4)

09280-26007

$6.52

6

BOLT (6X10)

09103-06188

$2.90

7

GUIDE,VALVE (OS:0.3) | OPT

11115-45G70

$32.26

8

.GASKET,CYLINDER HEAD

11141-28H00

$33.00

9

PIN (10.4X13X18)

04211-13189

$2.19

10

BOLT

07120-0625A

$2.50

11

BOLT,CYLINDER HEAD (L:140)

11117-28H00

$16.04

12

BOLT,CYLINDER HEAD (L:120)

11161-45G00

$9.31

13

PLUG,SPARK (DIMR8C10) | NGK

09482-00660

$33.01

14

PIPE ASSY,INTAKE

13101-37K01

$60.30

15

BOLT

01547-0620A

$2.03

16

CLAMP,INTAKE PIPE

13170-35G01

$15.63

17

BOLT (10X43)

09103-10116

$6.02

18

C-RING

12749-49H00

$4.28

19

C-RING

12749-49H10

$4.83

20

.BOLT

07120-0610A

$2.30

21

GASKET (5.8X13X1.2)

09168-06023

$2.35

22

SENSOR,WATER TEMP

13650-14G00

$52.02

23

.O RING

13655-14G00

$9.55