Partiron

Suzuki RM-Z450M5 (2025) HANDLE LEVER Diagram

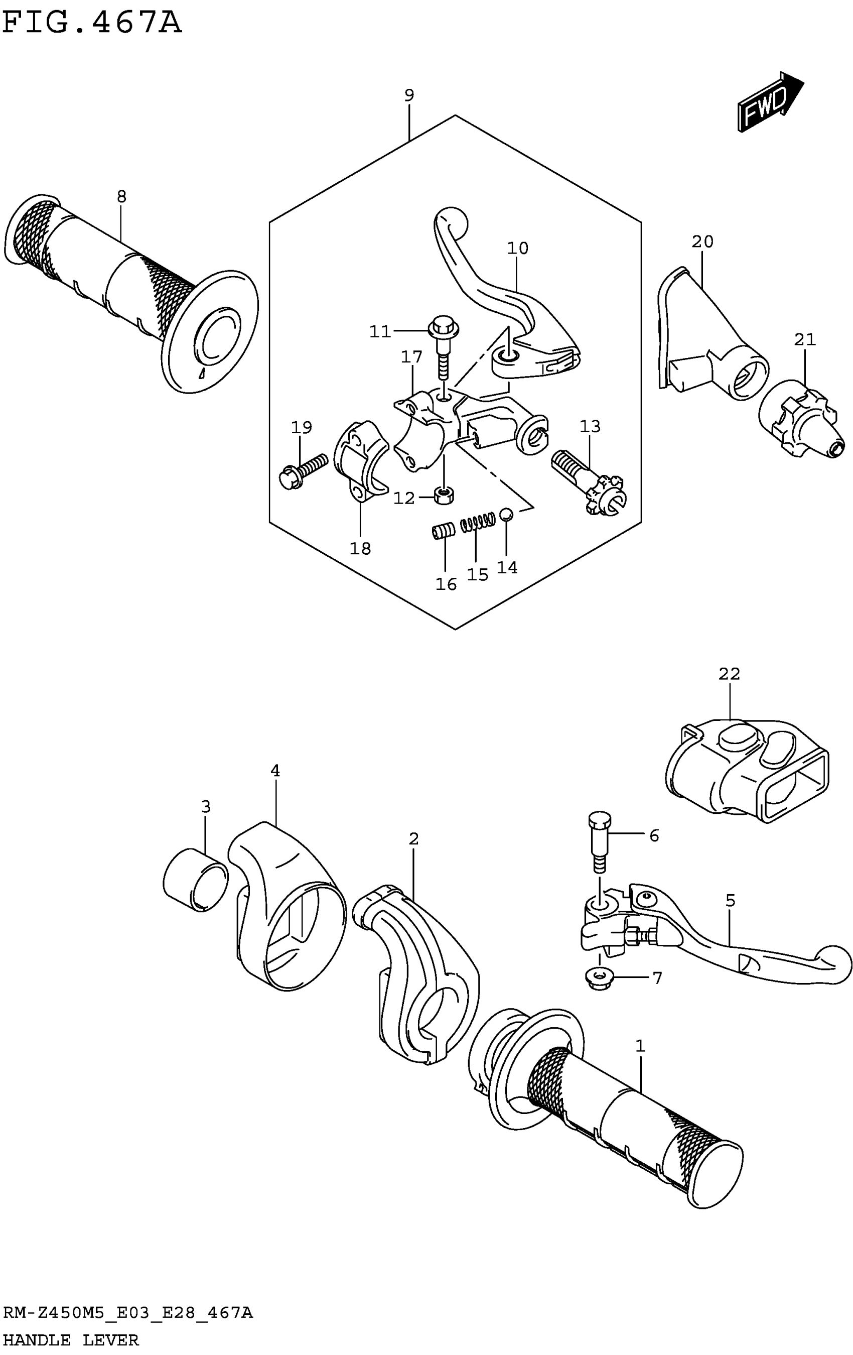
#

Description
Price

1

GRIP,THROTTLE

57110-28H00

$75.45

2

CASE ASSY,THROTTLE

57100-10H01

$110.77

3

COLLAR,THROTTLE CASE

57151-35G00

$8.92

4

COVER,THROTTLE CASE

57129-35G00

$12.60

5

LEVER ASSY,BRAKE

57310-37F00

$36.54

6

BOLT, BRAKE LEVER

57431-14500

$6.28

7

NUT This part replaces 57442-14500.

08316-1006B

$2.50

8

GRIP,L

57211-28H00

$20.40

9

LEVER ASSY,CLUTCH

57500-35G31

$113.03

10

.LEVER,CLUTCH

57621-35G10

$22.30

11

.BOLT

57431-35G00

$35.52

12

.NUT

08310-00057

$1.84

13

.ADJUSTER,CLUTCH CABLE

57441-37F00

$137.02

14

.BALL

06111-06003

$1.49

15

.SPRING

57518-37K00

$8.03

16

.SCREW (6X8)

09134-06009

$2.38

17

.HOLDER,CLUTCH LEVER

57511-35G00

$39.28

18

.BRACKET, CLUTCH LEVER HOLDER

57512-28C00

$25.63

19

.BOLT, BRACKET This part replaces 57513-35G00.

57513-29F10

$6.23

20

COVER,CLUTCH LEVER

57341-28H01

$10.70

21

COVER,CLUTCH ADJUSTER

57342-37F01

$7.65

22

COVER,BRAKE LEVER

57343-35G00

$19.03