- Partiron
- OEM Parts
- Suzuki
- Motorcycle
- 2025
- RM-Z450M5 (2025)
ELECTRICAL (E03)
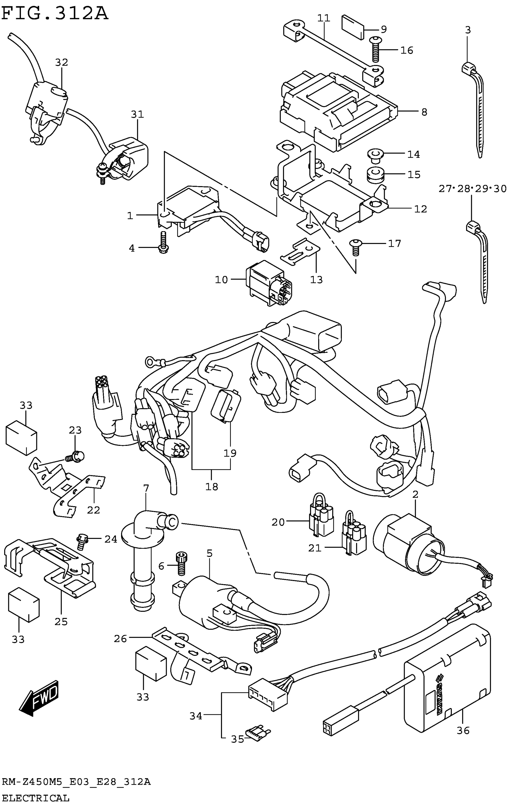
Suzuki RM-Z450M5 (2025) ELECTRICAL (E03) Diagram
#
Description
Price
19
.CAP,TS
36852-46K00
Unavailable
ELECTRICAL (E03)
#
19
36852-46K00
Unavailable
Edit ride
