Partiron

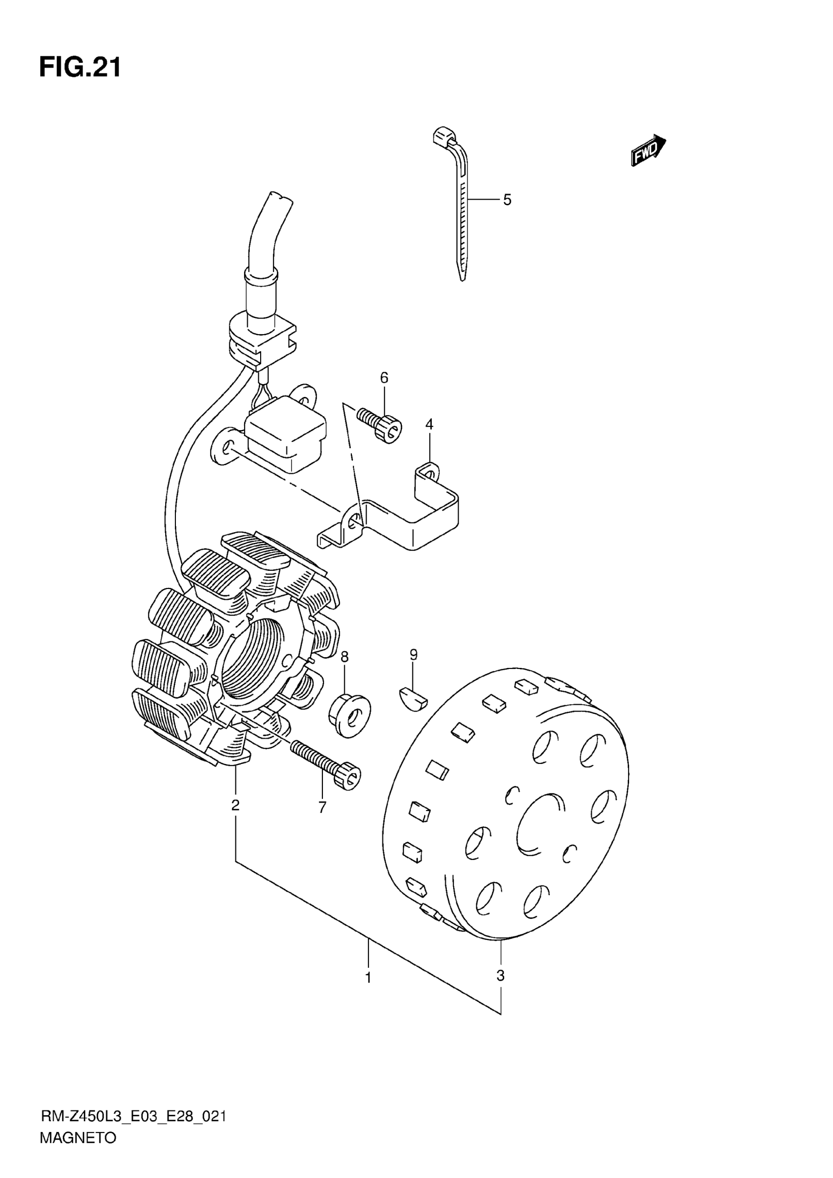
Suzuki RM-Z450L3 (2013) MAGNETO Diagram

#

Description
Price

1

MAGNETO ASSY

32100-28HA0

$1,120.20

2

STATOR ASSY,MAGNETO This part replaces 32101-28HA0.

32101-28HA1

$317.77

3

ROTOR ASSY,MAGNETO

32102-28HA0

$699.83

4

CLAMP, MAGNETO LEAD

32371-35G00

Unavailable

5

CLAMP (L:165)

09407-18402

$2.19

6

BOLT

07130-0512A

$2.19

7

BOLT

07130-0525A

$2.28

8

NUT

08316-1012B

$2.76

9

KEY

08341-31039

$1.89