- Partiron
- OEM Parts
- Suzuki
- Motorcycle
- 2007
- RM-Z450 (2007)
FRONT DAMPER (MODEL K7)
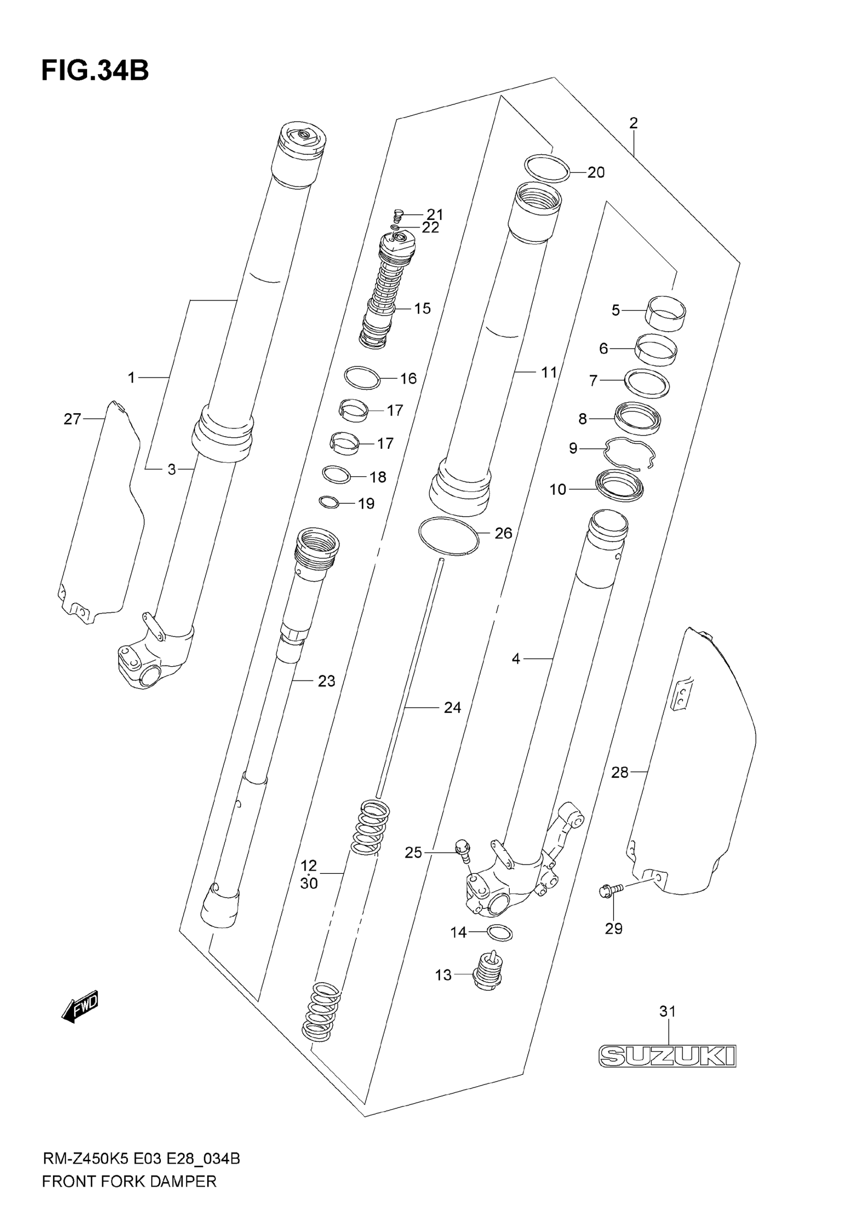
Suzuki RM-Z450 (2007) FRONT DAMPER (MODEL K7) Diagram
#
Description
Price
1
DAMPER ASSY, FRONT FORK RH
51103-35G30
Unavailable
2
DAMPER ASSY, FRONT FORK LH | Includes Item(s) 3 - 26
51104-35G30
Unavailable
3
TUBE, INNER RH
51110-35G30
Unavailable
4
TUBE, INNER LH
51120-35G30
Unavailable
11
TUBE, OUTER
51130-35G30
Unavailable
12
SPRING, FRONT (K=0.46)
51171-35G30
Unavailable
15
BOLT, FORK
51351-35G30
Unavailable
23
ROD, DAMPER
51190-35G30
Unavailable
27
PROTECTOR, RH
51501-37F70
Unavailable
28
PROTECTOR, LH
51511-37F70
Unavailable
30
SPRING, FRONT (SOFT K=0.44) | OPT
51171-37FC0
Unavailable
30
SPRING, FRONT (HARD K=0.48) | OPT
51171-35G40
Unavailable
